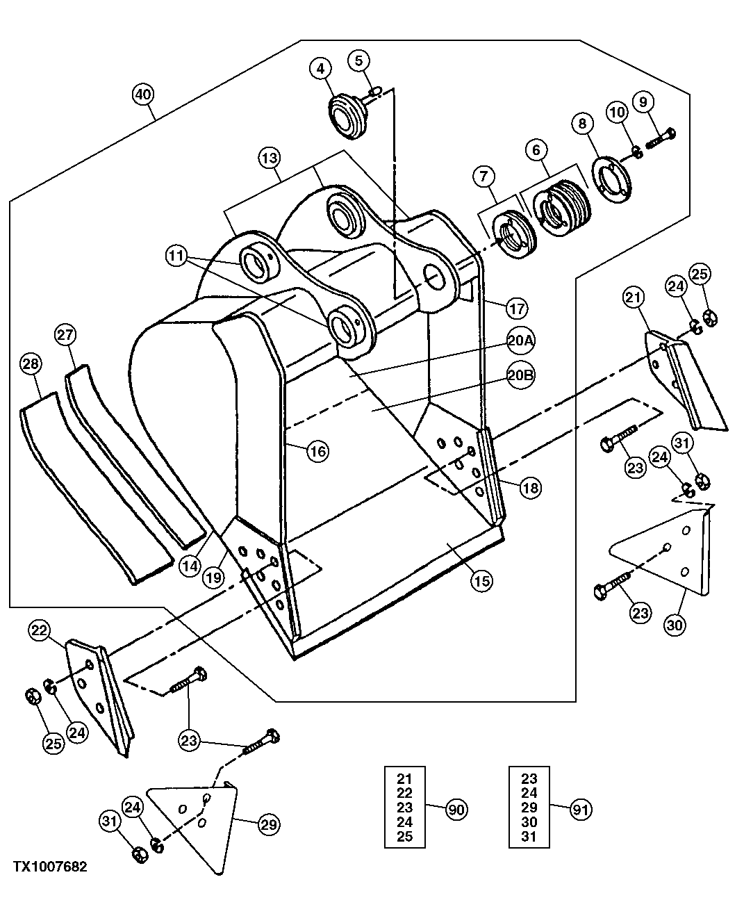
Запчасти John Deere 2054 153 - GENERAL PURPOSE BUCKET (SEE FOOTNOTE) 3302 BUCKET WITH TEETH

Схема запчастей John Deere 2054 - 153 - GENERAL PURPOSE BUCKET (SEE FOOTNOTE) 3302 BUCKET WITH TEETH
FIT
1:1
100%

Артикул

Название

Примечание

Количество

4

Self-Aligning Bushing

( AT131083 NLA)

1шт.

5

R48685

Dowel Pin

1шт.

6

TH104512

Washer

1 MM

9шт.

7

TH104513

Shim

1шт.

8

TH104514

Spacer

1шт.

9

19H2706

Cap Screw

5/8" X 2"

3шт.

10

12H294

Lock Washer

5/8"

3шт.

11

TH104509

Bushing

2шт.

13

C607429

Pivot

(B) (BUCKET EAR BLANK ASSEMBLY)

1шт.

14

607048

Plate

(B) (RH / LH)

2шт.

15

AT131081

Dura-Max Cutting Edge

(B) (CUT TO LENGTH)

1шт.

16

304954

Vertical Cutter

(B) (UPPER RH)

1шт.

17

304955

Vertical Cutter

(B) (UPPER LH)

1шт.

18

304953

Vertical Cutter

(B) (LH)

1шт.

19

304952

Vertical Cutter

(B) (RH)

1шт.

20A

604676

Moldboard

(B) (24 INCH) Upper

1шт.

604678

Moldboard

(B) (30 INCH) Upper

1шт.

604679

Moldboard

(B) (36 INCH) Upper

1шт.

604680

Moldboard

(B) (42 INCH) Upper

1шт.

604681

Moldboard

(B) (48 INCH) Upper

1шт.

20B

604667

Moldboard

(B) (24 INCH) Lower

1шт.

604669

Moldboard

(B) (30 INCH) Lower

1шт.

604670

Moldboard

(B) (36 INCH) Lower

1шт.

604671

Moldboard

(B) (42 INCH) Lower

1шт.

604672

Moldboard

(B) (48 INCH) Lower

1шт.

21

Cutting Edge

(SUB AT131080)

1шт.

22

Cutting Edge

(SUB AT131080)

1шт.

23

09H1770

Bolt

7/8" X 2-1/2"

6шт.

24

12H245

Lock Washer

7/8"

6шт.

25

14H1077

Nut

7/8"

6шт.

27

304966

Bar

(B) (INNER) (WEAR)

1шт.

28

606618

Bar

(B) (OUTER) (WEAR)

2шт.

29

Shroud

(WEAR)

1шт.

30

Shroud

(WEAR)

1шт.

31

14H1044

Nut

7/8"

6шт.

40

Excavator Bucket

(A) ( AT163580 NLA) (24 INCH/ 0.50 CUBIC YARD) (WHOLE GOODS) (SUB FOR AT131018 OR AT131138)

1шт.

Excavator Bucket

(A) ( AT163581 NLA) (30 INCH/ 0.64 CUBIC YARD) (WHOLE GOODS) (SUB FOR AT131019 OR AT131139)

1шт.

Excavator Bucket

(A) ( AT163582 NLA) (36 INCH/ 0.78 CUBIC YARD) (WHOLE GOODS) (SUB FOR AT131020 OR AT131140)

1шт.

Excavator Bucket

(A) ( AT163583 NLA) (42 INCH/ 0.92 CUBIC YARD) (WHOLE GOODS) (SUB FOR AT131021 OR AT131141)

1шт.

Excavator Bucket

(A) ( AT163584 NLA) (48 INCH/ 1.06 CUBIC YARD) (WHOLE GOODS) (SUB FOR AT131022 OR AT131142)

1шт.

90

Kit

( AT131080 NLA) Side Cutter Kit

1шт.

91

Kit

( AT167874 NLA) Edge Protector Kit

1шт.

Выбрано товаров: 42