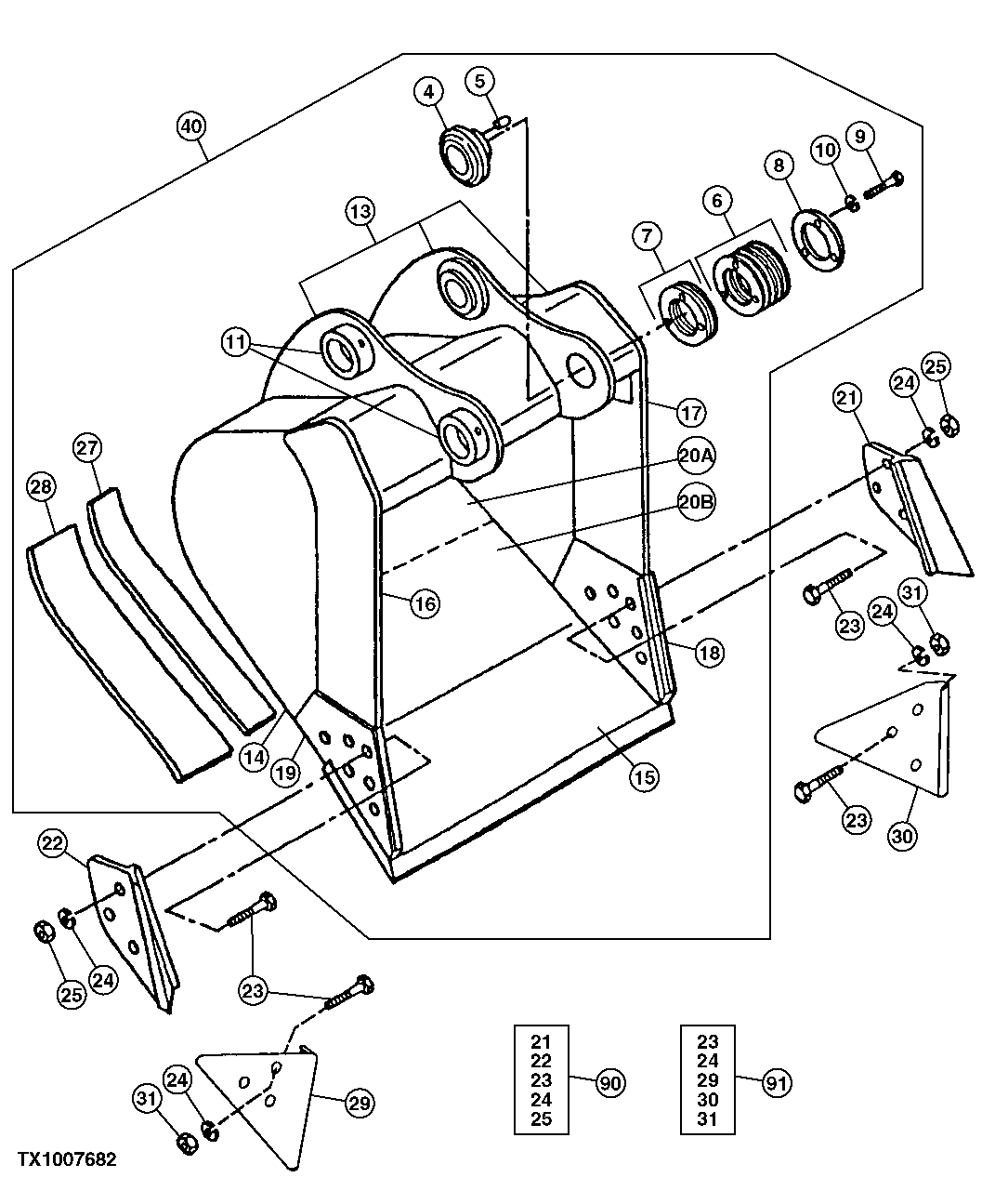
Запчасти John Deere 2054 157 - HEAVY DUTY BUCKET (SEE FOOTNOTE) 3302 BUCKET WITH TEETH

Схема запчастей John Deere 2054 - 157 - HEAVY DUTY BUCKET (SEE FOOTNOTE) 3302 BUCKET WITH TEETH
FIT
1:1
100%

Артикул

Название

Примечание

Количество

4

Self-Aligning Bushing

( AT131083 NLA)

1шт.

5

R48685

Dowel Pin

1шт.

6

TH104512

Washer

1 MM

9шт.

7

TH104513

Shim

1шт.

8

TH104514

Spacer

1шт.

9

19H2706

Cap Screw

5/8" X 2"

3шт.

10

12H294

Lock Washer

5/8"

3шт.

11

TH104509

Bushing

2шт.

13

C607429

Pivot

(B) (BUCKET EAR BLANK ASSEMBLY)

1шт.

14

300167

Plate

(B) (RH / LH)

2шт.

15

AT131082

Dura-Max Cutting Edge

(CUT TO LENGTH)

1шт.

16

300159

Vertical Cutter

(B) (UPPER RH)

1шт.

17

300160

Vertical Cutter

(B) (UPPER LH)

1шт.

18

300158

Vertical Cutter

(B) (LH)

1шт.

19

300157

Vertical Cutter

(B) (RH)

1шт.

20A

600113

Moldboard

(B) (UPPER) (24 INCH)

1шт.

600114

Moldboard

(B) (UPPER) (30 INCH)

1шт.

600115

Moldboard

(B) (UPPER) (36 INCH)

1шт.

20B

600118

Moldboard

(B) (UPPER) (24 INCH)

1шт.

600119

Moldboard

(B) (UPPER) (30 INCH)

1шт.

600120

Moldboard

(B) (UPPER) (36 INCH)

1шт.

21

Cutting Edge

(SUB AT131080)

1шт.

22

Cutting Edge

(SUB AT131080)

1шт.

23

09H1770

Bolt

7/8" X 2-1/2"

6шт.

24

12H245

Lock Washer

7/8"

6шт.

25

14H1077

Nut

7/8"

6шт.

27

300156

Bar

(B) (INNER) (WEAR)

1шт.

28

306452

Bar

(B) (OUTER) (WEAR)

2шт.

29

Shroud

(SUB AT167874)(WEAR)

1шт.

30

Shroud

(SUB AT167874)(WEAR)

1шт.

31

14H1044

Nut

7/8"

6шт.

40

Excavator Bucket

(A) ( AT131147 NLA) (24 INCH/0.59 CUBIC YARD) (WHOLE GOODS) (SUB AT332 679 ) (SUB FOR AT163589 OR AT131027)

1шт.

Excavator Bucket

(A) ( AT131148 NLA) (30 INCH/0.77 CUBIC YARD) (WHOLE GOODS) (SUB AT332 680 ) (SUB FOR AT163590 OR AT131028)

1шт.

Excavator Bucket

(A) ( AT131149 NLA) (36 INCH/0.95 CUBIC YARD) (WHOLE GOODS) (SUB AT332 681 ) (SUB FOR AT163591 OR AT131029)

1шт.

Excavator Bucket

(A) ( AT160742 NLA) (42 INCH/1.12 CUBIC YARD) (WHOLE GOODS) (SUB AT332 682 ) (SUB FOR AT163592 OR AT160742)

1шт.

90

Kit

( AT131080 NLA) Side Cutter Kit

1шт.

91

Kit

( AT167874 NLA) Edge Protector Kit

1шт.

Выбрано товаров: 37