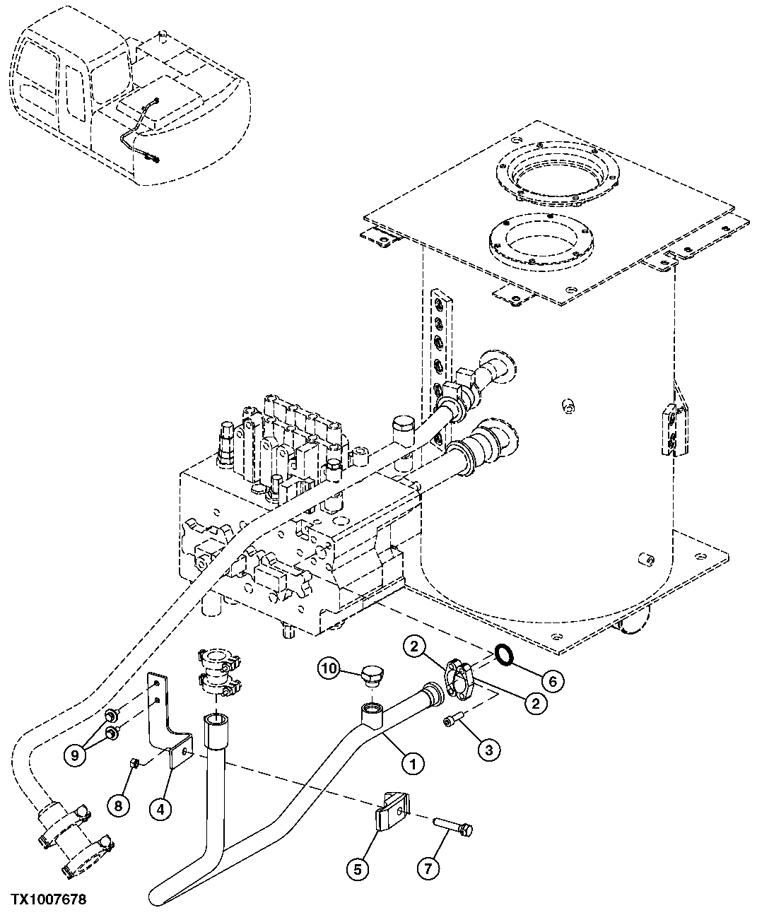
Запчасти John Deere 2054 226 - CONTROL VALVE TO OIL COOLER LINE 3363 LINES, HOSES & FITTINGS

Схема запчастей John Deere 2054 - 226 - CONTROL VALVE TO OIL COOLER LINE 3363 LINES, HOSES & FITTINGS
FIT
1:1
100%

Артикул

Название

Примечание

Количество

1

AP38136

Line

1шт.

2

H61354

Flange Fitting

2шт.

3

19M7576

Screw

M10 X 30 (SUB FOR J781030)

4шт.

4

DH800121

Bracket

1шт.

5

4190127

Clamp

1шт.

6

T78313

O-Ring

1шт.

7

19M8348

Cap Screw

M12 X 65

1шт.

8

4137295

Weld Nut

1шт.

9

19M7662

Cap Screw

M10 X 30 (SUB FOR J031030)

2шт.

12M7067

Lock Washer

12 mm

2шт.

24M7346

Washer

11 X 20 X 2 mm

2шт.

10

A885006

Plug

( P68008 NLA)

1шт.

AT318035

O-Ring

(SUB FOR 4506424)

1шт.

Выбрано товаров: 0