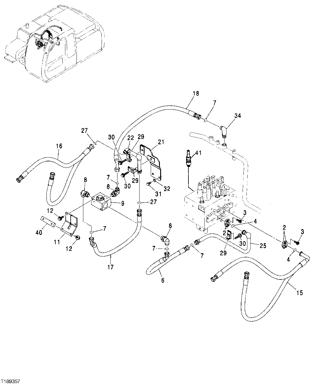
Запчасти John Deere 2054 248 - CONTROL VALVE PRESSURE AND RETURN AUXILIARY PLUMBING (FACTORY) 3363 LINES, HOSES & FITTINGS

Схема запчастей John Deere 2054 - 248 - CONTROL VALVE PRESSURE AND RETURN AUXILIARY PLUMBING (FACTORY) 3363 LINES, HOSES & FITTINGS
FIT
1:1
100%

Артикул

Название

Примечание

Количество

2

R29424

Flange Fitting

2шт.

3

19M7576

Screw

M10 X 30 (SUB FOR J781030)

4шт.

4

T59014

O-Ring

1шт.

6

4463182

Hydraulic Hose

1шт.

7

T77858

O-Ring

5шт.

8

A853386

Elbow Fitting

2шт.

TH101926

O-Ring

2шт.

9

4455599

Valve

(SUB FOR 4609664)

1шт.

11

9748713

Bracket

1шт.

12

19M8011

Cap Screw

M12 X 30

2шт.

15

4324160

Hydraulic Hose

1шт.

16

4250079

Hydraulic Hose

1шт.

17

4463183

Hydraulic Hose

1шт.

18

4463186

Hydraulic Hose

1шт.

21

8085734

Bracket

1шт.

22

8085733

Line

1шт.

25

8080641

Line

1шт.

27

T77858

O-Ring

2шт.

29

4190126

Clamp

3шт.

30

19M8348

Cap Screw

M12 X 65

3шт.

31

J901425

Cap Screw

2шт.

32

12H317

Lock Washer

9/16"

2шт.

34

4267201

Elbow Fitting

1шт.

AT318035

O-Ring

(SUB FOR 4506424)

1шт.

40

4385023

Screw

1шт.

41

9208772

Pressure Relief Valve

1шт.

Выбрано товаров: 0