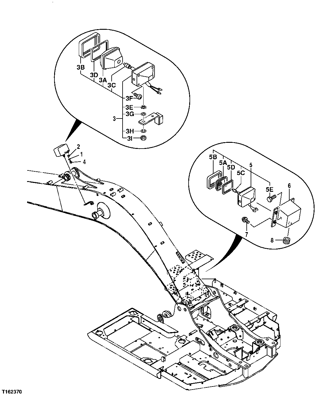
Запчасти John Deere 25CLC RTS 74 - BOOM WORK LIGHTS 1673 VEHICLE LIGHTING SYSTEM

Схема запчастей John Deere 25CLC RTS - 74 - BOOM WORK LIGHTS 1673 VEHICLE LIGHTING SYSTEM
FIT
1:1
100%

Артикул

Название

Примечание

Количество

1

12M7006

Lock Washer

6 mm SUB FOR A590906

1шт.

2

4254604

Wiring Harness

1шт.

3

4326800

Lamp

1шт.

3A

4326801

Lens

1шт.

3B

4326802

Frame

1шт.

3C

AT154990

Bulb

SUB FOR 4285648

1шт.

3D

4326803

Gasket

1шт.

3E

4307026

Washer

1шт.

3F

37H19

Screw

SUB FOR 4307027

1шт.

3G

24M7085

Washer

15 X 28 X 2.500 mm

1шт.

3H

12H317

Lock Washer

9/16" SUB FOR A590914

1шт.

3I

14M7345

Nut

M14 SUB FOR J952014

1шт.

4

21M7285

Screw

M6 X 12 SUB FOR M430613

1шт.

5

4274478

Headlight

1шт.

5A

4285646

Lens

1шт.

5B

4285647

Rim

1шт.

5C

AT154990

Bulb

SUB FOR 4285648

1шт.

5D

4288342

Gasket

1шт.

5E

19M8425

Cap Screw

M6 X 16 SUB FOR J900616

2шт.

12M7006

Lock Washer

6 mm

2шт.

6

8061757

Housing

1шт.

7

19M7139

Cap Screw

M8 X 20 SUB FOR J020820

4шт.

Washer

12M7065 NLA

4шт.

24M7055

Washer

8.400 X 16 X 1.600 mm

4шт.

8

94-2807

Grommet

1шт.

Выбрано товаров: 25