Качественные детали и логистика
Оригинальные и аналоговые запчасти с доставкой по России, Казахстану и Беларуси
©2022 PartSell ООО "Система" ИНН 2463123282 ОГРН 1212400004838
Центральный офис: г. Красноярск, Академика Киренского, д.87, пом.4
Телефон: 8 (800) 777-65-74 Email: zakaz@partsell.ru
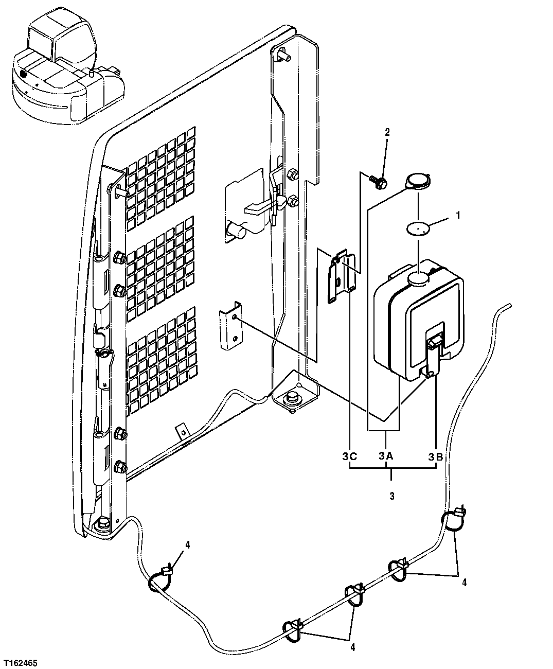
100 - WINDOW WASHER RESERVOIR & LINES
№
Артикул
Название
Примечание
Количество
1
Packing
1шт.
2
19M8425
Cap Screw
M6 X 16 (SUB FOR J020616 OR TH111223)
2шт.
12M7006
Lock Washer
6 mm
24M7054
Washer
6.400 X 12 X 1.600 mm
3
4333185
Reservoir
3A
( 4369472 NLA)
3B
4326095
Pump
3C
4338974
Bracket
4
H77698
Tie Band
(SUB FOR 4055311)
5шт.
Выбрано товаров: 0