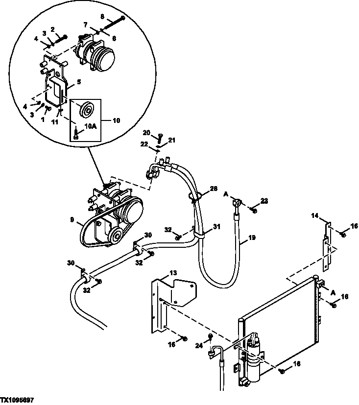
Запчасти John Deere 25CLC RTS 116 - AIR CONDITIONING LINES AND BELTS 1832 AIR CONDITIONING SYSTEM, COMPRESSOR & DRIVE

Схема запчастей John Deere 25CLC RTS - 116 - AIR CONDITIONING LINES AND BELTS 1832 AIR CONDITIONING SYSTEM, COMPRESSOR & DRIVE
FIT
1:1
100%

Артикул

Название

Примечание

Количество

1

T116333

Bolt

2шт.

2

M111063

Pedal

2шт.

3

12M7066

Lock Washer

10 mm SUB FOR A590910

4шт.

4

24M7028

Washer

10.500 X 20 X 2 mm SUB FOR A590110

4шт.

5

7038421

Bracket

1шт.

6

Washer

12M7065 NLA

4шт.

7

24M7055

Washer

8.400 X 16 X 1.600 mm SUB FOR A590108

4шт.

8

J780808

Bolt

4шт.

9

4612283

V-Belt

SUB FOR 4198588

1шт.

10

4346770

Pulley

1шт.

10A

4451204

Bolt

1шт.

11

24M7055

Washer

8.400 X 16 X 1.600 mm SUB FOR A590108

1шт.

13

8080568

Bracket

1шт.

14

9754878

Bracket

1шт.

16

19M7163

Cap Screw

M8 X 25 SUB FOR J020825

8шт.

Washer

12M7065 NLA

8шт.

24M7055

Washer

8.400 X 16 X 1.600 mm

8шт.

19

4439707

Refrigerant Hose

1шт.

4421946

O-Ring

(ONE FOR EACH END OF 4439707)

2шт.

20

19M8260

Cap Screw

M10 X 40

1шт.

21

12M7066

Lock Washer

10 mm SUB FOR A590910

1шт.

22

24M7028

Washer

10.500 X 20 X 2 mm SUB FOR A590110

1шт.

23

19M8008

Cap Screw

M8 X 35 SUB FOR J020835

1шт.

Washer

12M7065 NLA

1шт.

24M7055

Washer

8.400 X 16 X 1.600 mm

1шт.

24

19M7286

Cap Screw

M6 X 25 SUB FOR J020625

1шт.

12M7006

Lock Washer

6 mm

1шт.

24M7054

Washer

6.400 X 12 X 1.600 mm

1шт.

28

H77698

Tie Band

1шт.

30

R72659

Clamp

SUB FOR 4190263 OR 4235654

2шт.

31

R50454

Clamp

SUB FOR 4411911

1шт.

32

19M7938

Cap Screw

M10 X 20 SUB FOR J011020

3шт.

12M7066

Lock Washer

10 mm

3шт.

Выбрано товаров: 33