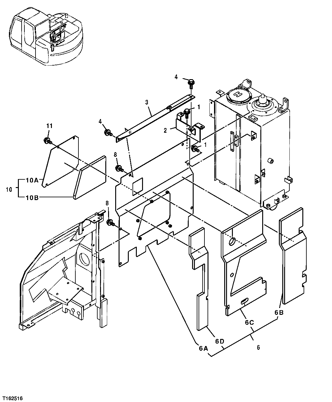
Запчасти John Deere 25CLC RTS 127 - ENGINE COMPARTMENT PANELING (SN -062992) 1910 HOOD OR ENGINE ENCLOSURE

Схема запчастей John Deere 25CLC RTS - 127 - ENGINE COMPARTMENT PANELING (SN -062992) 1910 HOOD OR ENGINE ENCLOSURE
FIT
1:1
100%

Артикул

Название

Примечание

Количество

1

19M7402

Cap Screw

M10 X 25 (SUB FOR J021025)

4шт.

12M7066

Lock Washer

10 mm

4шт.

24M7028

Washer

10.500 X 20 X 2 mm

4шт.

2

8080538

Bracket

1шт.

3

7038563

Support

1шт.

4

19M7662

Cap Screw

M10 X 30 (SUB FOR J021030)

2шт.

12M7066

Lock Washer

10 mm

2шт.

24M7028

Washer

10.500 X 20 X 2 mm

2шт.

6

7038561

Cover

1шт.

6A

Cover

1шт.

6B

3089780

Isolator

1шт.

6C

3089781

Isolator

1шт.

6D

3089782

Isolator

1шт.

8

19M7662

Cap Screw

M10 X 30 (SUB FOR J031030)

4шт.

12M7067

Lock Washer

12 mm

4шт.

24M7346

Washer

11 X 20 X 2 mm

4шт.

10

8080266

Cover

1шт.

10A

Cover

1шт.

10B

4437754

Isolator

1шт.

11

19M7402

Cap Screw

M10 X 25 (SUB FOR J031025)

4шт.

12M7066

Lock Washer

10 mm

4шт.

24M7296

Washer

10.500 X 30 X 2.500 mm

4шт.

Выбрано товаров: 22