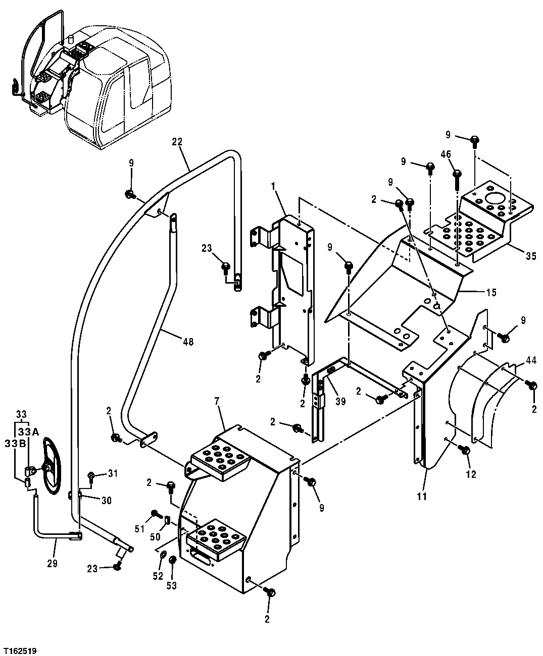
Запчасти John Deere 25CLC RTS 129 - STEP HANDRAILS AND RIGHT SIDE MIRROR 1910 HOOD OR ENGINE ENCLOSURE

Схема запчастей John Deere 25CLC RTS - 129 - STEP HANDRAILS AND RIGHT SIDE MIRROR 1910 HOOD OR ENGINE ENCLOSURE
FIT
1:1
100%

Артикул

Название

Примечание

Количество

1

7038988

Support

1шт.

2

19M7662

Cap Screw

M10 X 30 SUB FOR J021030

12шт.

12M7066

Lock Washer

10 mm

12шт.

24M7028

Washer

10.500 X 20 X 2 mm

12шт.

7

6020733

Cover

SUB FOR 6019450

1шт.

9

19M7662

Cap Screw

M10 X 30 SUB FOR J031030

12шт.

12M7067

Lock Washer

12 mm

12шт.

24M7346

Washer

11 X 20 X 2 mm

12шт.

11

7038795

Cover

1шт.

Cover

7043846 NLA ORDER 7045324

1шт.

7045324

Cover

1шт.

12

4678444

Bolt

SUB FOR J021035, ALSO O RDER A590910 AND J222010

1шт.

12M7066

Lock Washer

10 mm SUB FOR A590910

1шт.

24M7028

Washer

10.500 X 20 X 2 mm SUB FOR J222010

1шт.

15

7038785

Cover

1шт.

7043845

Cover

1шт.

22

4615210

Handrail

SUB FOR 7038983, THIS APPLICATION

1шт.

23

19M7493

Cap Screw

M12 X 40 SUB FOR J011240

4шт.

12H301

Lock Washer

1/2"

4шт.

29

8124253

Bracket

SUB FOR 8077521

1шт.

30

4425481

Hose Clamp

1шт.

31

19M7184

Cap Screw

M8 X 55 SUB FOR J010855

2шт.

Washer

12M7065 NLA

2шт.

33

4420724

Rear View Mirror

SUB FOR 4416704

1шт.

33A

Holder

1шт.

33B

Isolator

1шт.

35

7040882

Cover

1шт.

7041812

Cover

1шт.

39

Support

7039863 NLA SUB 7041723, 70414 16, 7041693, 4464840, (2) 19M76 62, (2) 12M7067 AND (2) 24M7346

1шт.

44

3091499

Cover

USE WITH 7038795

1шт.

46

19M8183

Cap Screw

M10 X 90 SUB FOR J031090

1шт.

12M7066

Lock Washer

10 mm

1шт.

24M7296

Washer

10.500 X 30 X 2.500 mm

1шт.

48

4615211

Handrail

SUB FOR 8083426, THIS APPLICATION

1шт.

50

4609950

Stop

SUB FOR 4424157

1шт.

51

Bolt

J020640 NLA

1шт.

52

24M7054

Washer

6.400 X 12 X 1.600 mm SUB FOR A590106

1шт.

53

14M7272

Nut

M6 SUB FOR M500605

1шт.

Выбрано товаров: 38