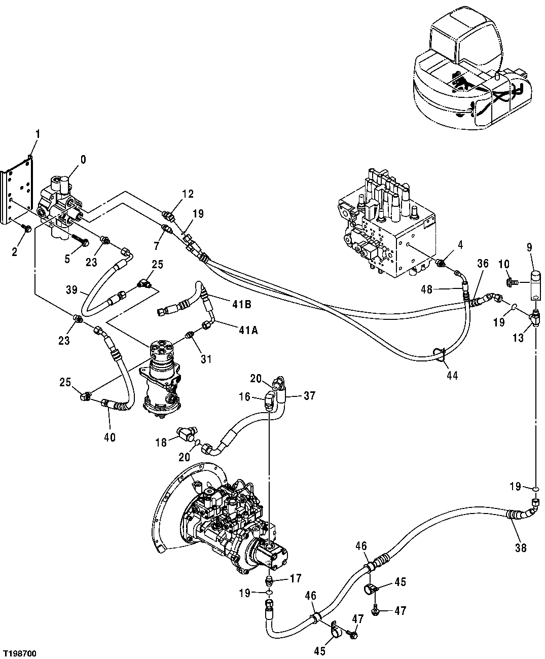
Запчасти John Deere 25CLC RTS 148 - MAIN HOSES (BLADE OPTION) (PUMP TO CONTROL VALVE) (CONTROL VALVE TO BLADE CONTROL VALVE) 3301 BLADES & SIDE CUTTERS

Схема запчастей John Deere 25CLC RTS - 148 - MAIN HOSES (BLADE OPTION) (PUMP TO CONTROL VALVE) (CONTROL VALVE TO BLADE CONTROL VALVE) 3301 BLADES & SIDE CUTTERS
FIT
1:1
100%

Артикул

Название

Примечание

Количество

0

4401481

Hyd Actuated Control Valve

1шт.

1

8083333

Bracket

1шт.

2

19M7402

Cap Screw

M10 X 25

4шт.

12M7066

Lock Washer

10 mm

4шт.

4

4376657

Adapter Fitting

1шт.

CH11570

O-Ring

1шт.

5

19M7364

Cap Screw

M12 X 80 SUB FOR J011280

3шт.

12M7067

Lock Washer

12 mm

3шт.

7

4190244

Elbow Fitting

1шт.

CH11570

O-Ring

1шт.

9

4411019

Pressure Relief Valve

1шт.

10

19M7981

Cap Screw

M8 X 55

2шт.

Washer

12M7065 NLA

2шт.

24M7096

Washer

10.500 X 18 X 1.600 mm

2шт.

12

A853244

Tee Fitting

1шт.

4506418

O-Ring

1шт.

13

A853444

Tee Fitting

1шт.

4506418

O-Ring

1шт.

16

A853366

Elbow Fitting

1шт.

AT318035

O-Ring

SUB FOR 4506424

1шт.

17

A853144

Adapter Fitting

1шт.

4506418

O-Ring

1шт.

18

A853566

Tee Fitting

1шт.

AT318035

O-Ring

SUB FOR 4506424

1шт.

19

T77857

O-Ring

4шт.

20

T77858

O-Ring

2шт.

23

A852144

Adapter Fitting

2шт.

4506418

O-Ring

2шт.

25

A852334

Elbow Fitting

2шт.

CH11570

O-Ring

2шт.

31

A852134

Adapter Fitting

1шт.

CH11570

O-Ring

1шт.

36

9203700

Hydraulic Hose

1шт.

37

4454538

Hydraulic Hose

1шт.

38

9204313

Hydraulic Hose

1шт.

39

9201403

Hydraulic Hose

1шт.

40

9201404

Hydraulic Hose

1шт.

41A

Hydraulic Hose

4420423 NLA, ORDER 43044464, A852144

1шт.

41B

Hose Guard

(MAKE FROM XHG-075 , CUT TO LENGTH) ( 4327294 NLA)

1шт.

44

H77698

Tie Band

1шт.

45

XCL-29

Hose Clamp

SUB FOR 4190264 OR 4193848

2шт.

46

4457233

Bushing

2шт.

47

19M7938

Cap Screw

M10 X 20

2шт.

12M7066

Lock Washer

10 mm

2шт.

48

9184663

Hydraulic Hose

1шт.

4327315

Hose Guard

4327293 NLA

4шт.

Выбрано товаров: 46