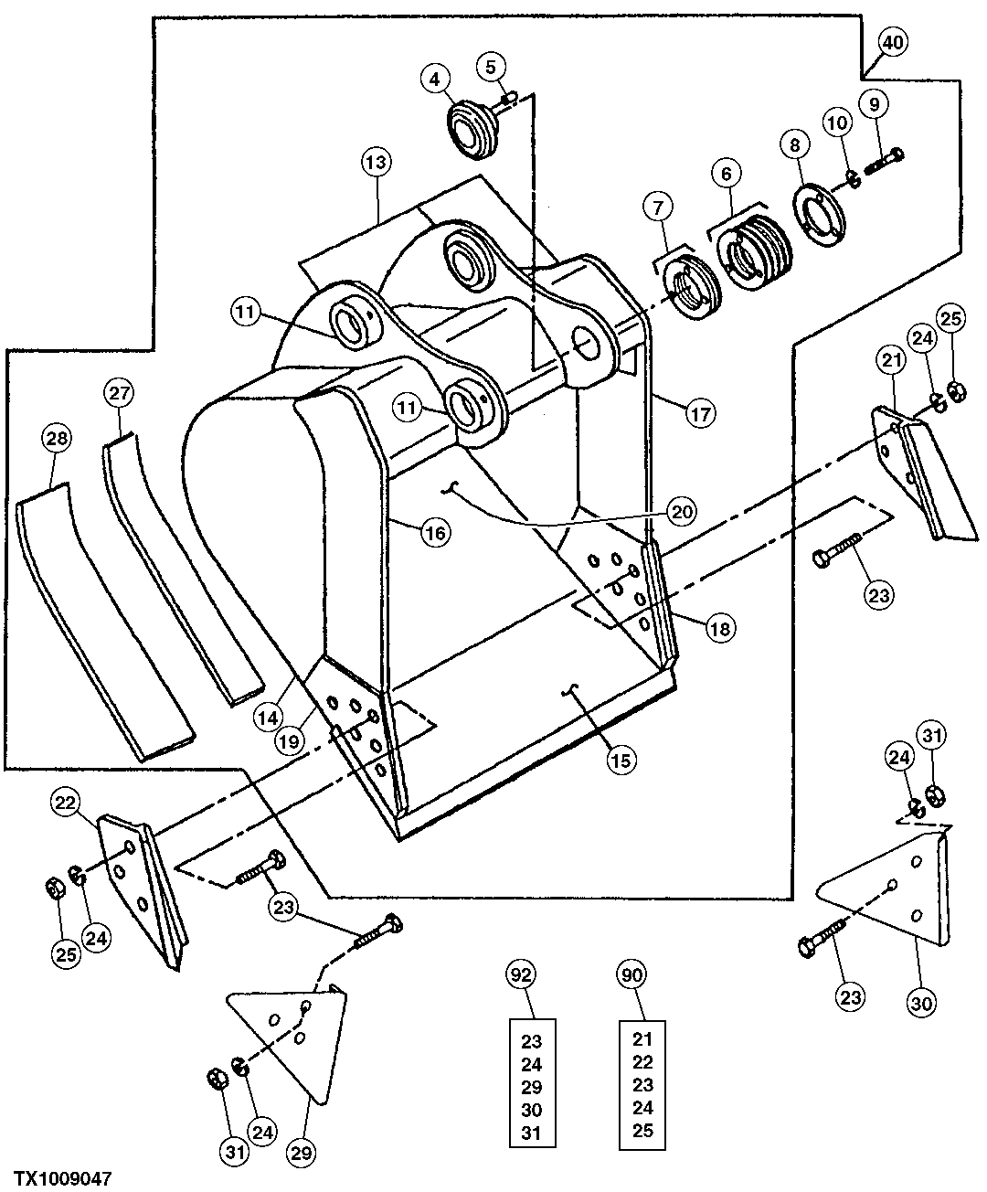
Запчасти John Deere 25CLC RTS 151 - GENERAL PURPOSE BUCKET (SEE FOOTNOTE) 3302 BUCKET WITH TEETH

Схема запчастей John Deere 25CLC RTS - 151 - GENERAL PURPOSE BUCKET (SEE FOOTNOTE) 3302 BUCKET WITH TEETH
FIT
1:1
100%

Артикул

Название

Примечание

Количество

4

0237314

Wear Ring

(1 INCH HEAD THICKNESS) (SUB FOR TH103346)

1шт.

5

TH103619

Pin

1шт.

6

4143635

Washer

( TH100348 NLA)

7шт.

7

4143636

Shim

( TH100349 NLA)

3шт.

8

Spacer

( TH100347 NLA)

1шт.

9

19M7404

Cap Screw

M14 X 40

3шт.

10

12H317

Lock Washer

9/16"

3шт.

11

TH108649

Bushing

2шт.

13

C610778

Pivot

(A) Bucket Ear Blank Assembly

1шт.

14

Plate

(A) (RH/LH)

ARшт.

15

AT131081

Cutting Edge

(CTL)

ARшт.

16

Vertical Cutter

(A) (UPPER) (RH)

1шт.

17

Vertical Cutter

(A) (UPPER) (LH)

1шт.

18

304953

Vertical Cutter

(A) (LH) Insert

1шт.

19

304952

Vertical Cutter

(A) (RH) Insert

1шт.

20

Moldboard

(A) (18 INCH)

1шт.

Moldboard

(A) (24 INCH)

1шт.

Moldboard

(A) (30 INCH)

1шт.

Moldboard

(A) (36 INCH)

1шт.

Moldboard

(42 INCH/0.79 CUBIC YARD)

1шт.

Moldboard

(42 INCH/0.92 CUBIC YARD)

1шт.

Moldboard

(48 INCH)

1шт.

21

Cutting Edge

(LH) (SUB AT131080)

1шт.

22

Cutting Edge

(RH) (SUB AT131080)

1шт.

23

09H1770

Bolt

7/8" X 2-1/2"

6шт.

24

12H245

Lock Washer

7/8"

6шт.

25

14H1077

Nut

7/8"

6шт.

27

Bar

(A) Inner Wear

1шт.

28

Bar

(A) Outer Wear

1шт.

29

AT167874

Shroud

Wear

1шт.

30

AT167874

Shroud

Wear

1шт.

31

14H1044

Nut

7/8"

6шт.

40

Excavator Bucket

( AT301635 NLA) (18 INCH/0.35 CUBIC YARD)

1шт.

Excavator Bucket

( AT301636 NLA) (24 INCH/0.5 0 CUBIC YARD) (SUB AT332666)

1шт.

Excavator Bucket

( AT301637 NLA) (30 INCH/0.6 6 CUBIC YARD) (SUB AT332667)

1шт.

Excavator Bucket

( AT301638 NLA) (36 INCH/0.8 2 CUBIC YARD) (SUB AT332668)

1шт.

Excavator Bucket

( AT301639 NLA) (42 INCH/0.9 8 CUBIC YARD) (SUB AT332669)

1шт.

Excavator Bucket

( AT301640 NLA) (48 INCH/1.15 CUBIC YARD)

1шт.

90

Kit

( AT131080 NLA)

1шт.

92

Kit

( AT167874 NLA)

1шт.

Выбрано товаров: 40