Запчасти John Deere 25CLC RTS 191 - REGULATOR (PUMP 2) 3361 HYDRAULIC PUMP

Схема запчастей John Deere 25CLC RTS - 191 - REGULATOR (PUMP 2) 3361 HYDRAULIC PUMP
FIT
1:1
100%

Артикул

Название

Примечание

Количество

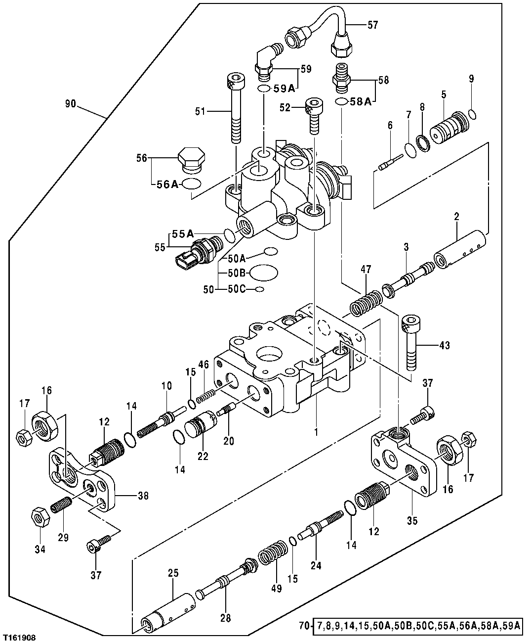
1

TH1026282

Regulator

1шт.

2

4179155

Sleeve

1шт.

3

4179156

Spool

1шт.

5

4367385

Piston

1шт.

6

4367500

Piston

1шт.

7

TH102560

O-Ring

1шт.

8

4085607

Back-Up Ring

1шт.

9

CH11560

Packing

1шт.

10

4368619

Stop

1шт.

12

4179161

Stop

2шт.

14

4342843

O-Ring

3шт.

15

4342841

O-Ring

2шт.

16

4068898

Nut

2шт.

17

14M7273

Nut

M8

2шт.

20

4179171

Piston

1шт.

22

4451498

Piston

1шт.

24

4347107

Stop

1шт.

25

4424628

Sleeve

1шт.

28

4346521

Valve Spool

1шт.

29

22M7098

Set Screw

M10 X 25 (SUB FOR 4265964)

1шт.

34

14M7274

Nut

M10

1шт.

35

3075775

End Plate

1шт.

37

19M8446

Screw

M8 X 20

8шт.

38

4433327

Cover

1шт.

43

19M8339

Screw

M10 X 55

2шт.

46

4332878

Compression Spring

1шт.

47

4194176

Compression Spring

1шт.

49

4350928

Compression Spring

1шт.

50

4400442

Solenoid Valve

1шт.

50A

TH102560

O-Ring

1шт.

50B

4153534

O-Ring

1шт.

50C

4153087

O-Ring

1шт.

51

19M9763

Screw

M10 X 80 (SUB FOR M341080)

2шт.

52

19M8337

Screw

M10 X 30

2шт.

55

4436536

Sensor

PUMP CONTROL PRESSURE

1шт.

55A

AT123487

O-Ring

1шт.

56

4174541

Fitting

1шт.

56A

4506418

O-Ring

1шт.

57

4436800

Oil Line

1шт.

58

4255304

Fitting

1шт.

58A

M800650

Packing

(SUB FOR 957366)

1шт.

59

4293950

Fitting

1шт.

59A

M800650

Packing

(SUB FOR 957366)

1шт.

70

4455733

Seal Kit

1шт.

90

9198153

Regulator

1шт.

Выбрано товаров: 45