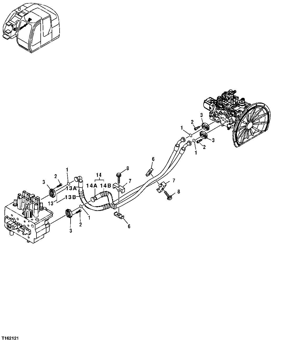
Запчасти John Deere 25CLC RTS 217 - HIGH PRESSURE HYDRAULIC LINES (PUMP TO CONTROL VALVE) 3363 LINES, HOSES AND FITTINGS

Схема запчастей John Deere 25CLC RTS - 217 - HIGH PRESSURE HYDRAULIC LINES (PUMP TO CONTROL VALVE) 3363 LINES, HOSES AND FITTINGS
FIT
1:1
100%

Артикул

Название

Примечание

Количество

1

T59014

O-Ring

SUB FOR 971489

4шт.

2

J781035

Bolt

16шт.

3

T107446

Flange Fitting

SUB FOR 4506459

8шт.

6

AT318021

Clamp

SUB FOR 4285722

2шт.

7

4189859

Clamp

SUB FOR 4285723

2шт.

8

19M8088

Cap Screw

M12 X 75 SUB FOR J011275

2шт.

12H301

Lock Washer

1/2"

2шт.

13

Hydraulic Hose

9202044 NLA Furnish Components

1шт.

13A

4455500

Hydraulic Hose

1шт.

13B

Hose Guard

MAKE FROM XHG-075, CTL; 4327294 NLA

1шт.

14

Hydraulic Hose

9202045 NLA Furnish Components

1шт.

14A

4455499

Hydraulic Hose

1шт.

14B

Hose Guard

MAKE FROM XHG-075, CTL; 4327294 NLA

1шт.

Выбрано товаров: 13