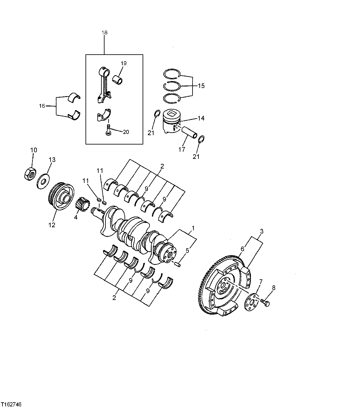
Запчасти John Deere 25CLC RTS 16 - CRANKSHAFT, MAIN BEARINGS, FLYWHEEL AND PISTONS 0401 CRANKSHAFT AND MAIN BEARINGS

Схема запчастей John Deere 25CLC RTS - 16 - CRANKSHAFT, MAIN BEARINGS, FLYWHEEL AND PISTONS 0401 CRANKSHAFT AND MAIN BEARINGS
FIT
1:1
100%

Артикул

Название

Примечание

Количество

1

8973581441

Crankshaft

SUB FOR 8943398950, 89 43398951 OR 8973581440

1шт.

2

8970716610

Bearing

1шт.

3

8971069894

Flywheel

SUB FOR 8971069892 OR 8971069893, USE WITH 4340275 Four Lug Coupling

1шт.

8971069894

Flywheel

8973498780 NLA; ORDER 897 1069894 Three Lug Coupling

1шт.

4

8971379102

Gear

SUB FOR 8971379100 OR 8971379101

1шт.

5

9081612200

Pin Fastener

1шт.

6

8971759020

Ring

1шт.

7

5123360030

Washer

1шт.

8

5123340030

Bolt

6шт.

9

8970713580

Washer

2шт.

10

8973596160

Nut

SUB FOR 5123780020

1шт.

11

8941075970

Shaft Key

2шт.

12

8971720400

Pulley

1шт.

13

5095030240

Washer

1шт.

14

8973585740

Piston

SUB FOR 8972873990 GRADE=AX

4шт.

8973585750

Piston

SUB FOR 8972874000 GRADE=CX

4шт.

15

8982404830

Piston Ring

SUB FOR 1121211460

4шт.

16

9122716080

Metals

8970110310 NLA

4шт.

17

1122110332

Pin Fastener

4шт.

18

1122301292

Connecting Rod

SUB FOR 1122301291

4шт.

19

1122510320

Bushing

4шт.

20

1122350271

Bolt

8шт.

21

8941075751

Ring

8шт.

Выбрано товаров: 0