Запчасти John Deere 25CLC RTS 30 - FUEL INJECTION PUMP COLLAR AND MOUNTING 0413 FUEL INJECTION SYSTEM

Схема запчастей John Deere 25CLC RTS - 30 - FUEL INJECTION PUMP COLLAR AND MOUNTING 0413 FUEL INJECTION SYSTEM
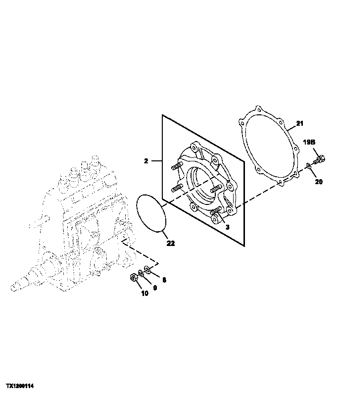
FIT
1:1
100%

Артикул

Название

Примечание

Количество

2

5197510500

Bracket

1шт.

3

0440110300

Stud

(SUB FOR 9044110300)

4шт.

8

9091645100

Washer

4шт.

9

1099851850

Washer

4шт.

10

5156390020

Nut

4шт.

19B

5090002221

Bolt

1шт.

1090440711

Bolt

6шт.

20

9095720080

Gasket

1шт.

21

8943706751

Gasket

(SUB FOR 8943706750)

1шт.

22

8970372760

Gasket

1шт.

Выбрано товаров: 10