Запчасти John Deere 25CLC RTS 35 - WATER PUMP 0417 WATER PUMP

Схема запчастей John Deere 25CLC RTS - 35 - WATER PUMP 0417 WATER PUMP
FIT
1:1
100%

Артикул

Название

Примечание

Количество

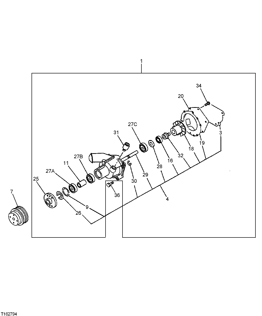
1

8972530281

Water Pump

1шт.

3

4210234

Packing

(SUB FOR 8943706610)

1шт.

4

8972530300

Pump Kit

1шт.

7

1136411910

Pulley

1шт.

9

9091801520

Ring

1шт.

11

5136340020

Spacer

1шт.

16

1096255450

Seal

1шт.

18

8972322500

Impeller

1шт.

19

8972322480

Gasket

1шт.

20

8972322470

Cover

1шт.

25

5136420072

Center Link

1шт.

26

5136390010

Cover

1шт.

27A

5098000510

Bearing

1шт.

27B

5098000500

Bearing

1шт.

27C

1098001700

Bearing

1шт.

28

1095030700

Washer

1шт.

29

1136310740

Shaft

1шт.

30

9099521430

Snap Ring

1шт.

31

8972498951

Line

1шт.

32

1136200230

Unit Standard

1шт.

34

9030908200

Screw

(SUB FOR AT260103)

3шт.

36

0280810350

Bolt

M10 X 35

1шт.

0280510450

Bolt

(SUB FOR 0280810450)M10 X 45

2шт.

AT259932

Bolt

M10 X 70

1шт.

Выбрано товаров: 24