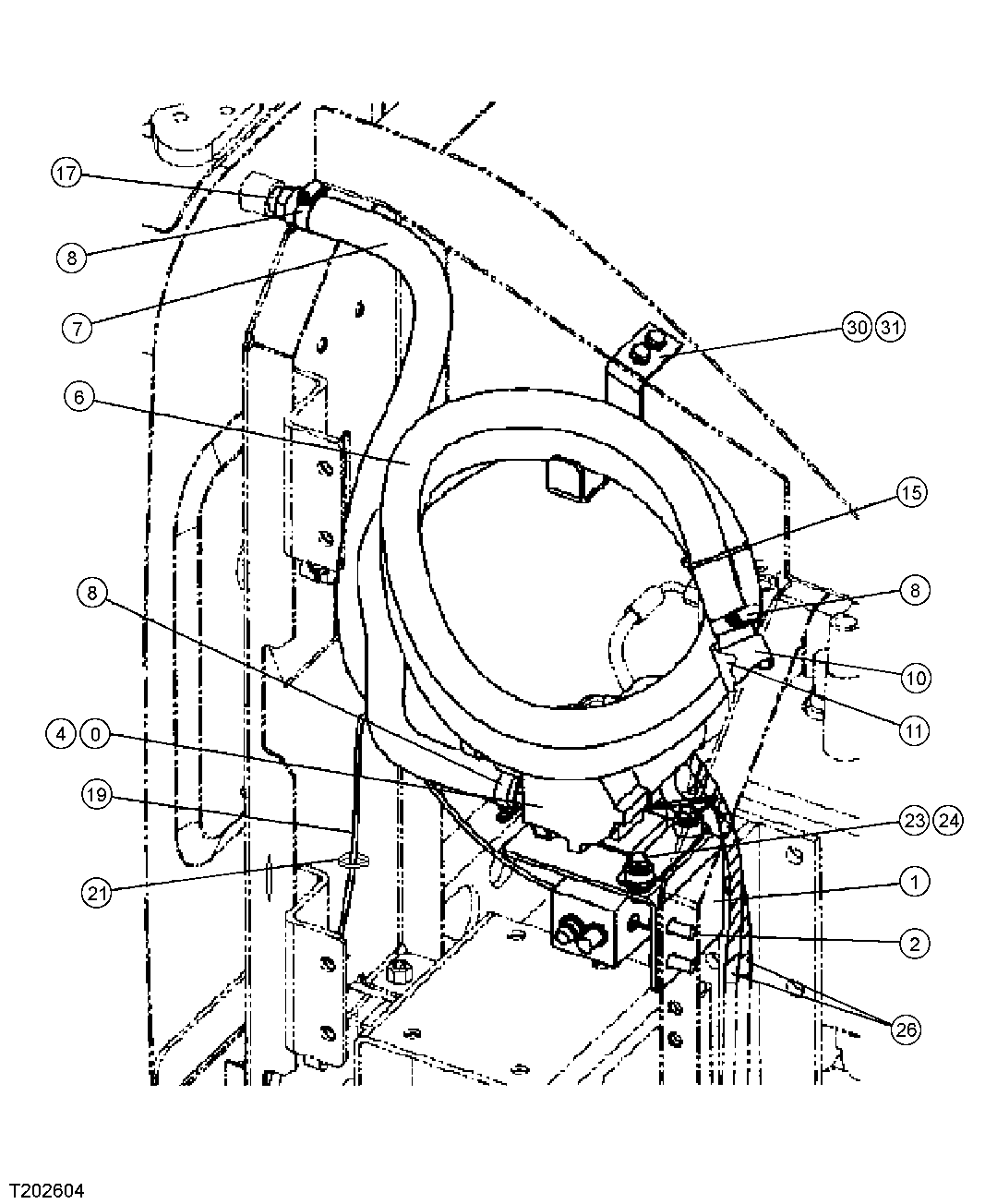
Запчасти John Deere 25CLC RTS 41 - PRIMARY FUEL TRANSFER PUMP 0421 FUEL TRANSFER PUMP

Схема запчастей John Deere 25CLC RTS - 41 - PRIMARY FUEL TRANSFER PUMP 0421 FUEL TRANSFER PUMP
FIT
1:1
100%

Артикул

Название

Примечание

Количество

0

4455541

Pump

1шт.

1

8091483

Bracket

1шт.

2

19M7662

Cap Screw

M10 X 30 ALSO ORDER 24 M7346, SUB FOR J271030

2шт.

24M7346

Washer

11 X 20 X 2 mm

2шт.

4

21M7267

Screw

M6 X 20 ALSO ORDER 24M7293 AND 12M7006, SUB FOR J460620

2шт.

24M7293

Washer

6.500 X 13 X 1.600 mm

2шт.

12M7006

Lock Washer

6 mm

2шт.

6

Hose

4051160 NLA, (MAKE FROM TY244 01 (CUT TO LENGTH 119 INCHES))

1шт.

7

4602161

Hose

1шт.

8

4504367

Hose Clamp

1шт.

10

4103527

Strainer

1шт.

11

4507650

Cap

1шт.

13

9760447

Bracket

1шт.

14

19M7402

Cap Screw

M10 X 25 SUB FOR J271025

1шт.

15

H77698

Tie Band

SUB FOR 4055312

1шт.

17

4004589

Adapter Fitting

1шт.

19

4600161

Wiring Harness

1шт.

21

H77698

Tie Band

SUB FOR 4055312

15шт.

23

19M7298

Cap Screw

M8 X 35 ALSO ORDER 24M7055, SUB FOR J260835

3шт.

24M7055

Washer

8.400 X 16 X 1.600 mm

3шт.

24

24M7055

Washer

8.400 X 16 X 1.600 mm SUB FOR A590108

3шт.

26

4327315

Hose Guard

4327293 NLA

2шт.

30

8099268

Bracket

1шт.

31

19M7139

Cap Screw

M8 X 20 ALSO ORDER 24M7055, SUB FOR J260820

1шт.

24M7055

Washer

8.400 X 16 X 1.600 mm

1шт.

Выбрано товаров: 25