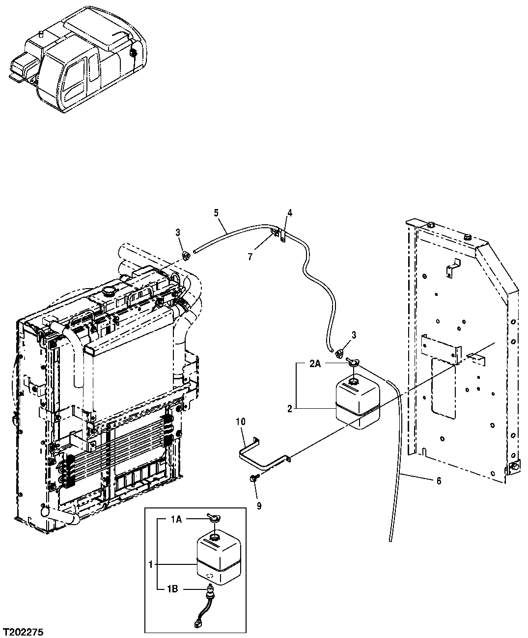
Запчасти John Deere 30CLC 76 - RESERVE WATER TANK 0510 ENGINE COOLING SYSTEMS

Схема запчастей John Deere 30CLC - 76 - RESERVE WATER TANK 0510 ENGINE COOLING SYSTEMS
FIT
1:1
100%

Артикул

Название

Примечание

Количество

1

4284053

Tank

1шт.

1A

4396809

Cap

SUB FOR TH102933

1шт.

1B

4153251

Sender

Level Switch SUB FOR TH102932

1шт.

2

4628753

Tank

1шт.

2A

4396809

Cap

1шт.

3

TY22462

Clamp

2шт.

4

4284094

Clamp

SUB FOR AT155337

1шт.

5

Hose

(MAKE FROM T79477)(CTL) ( AT154952 NLA)

1шт.

6

Hose

(MAKE FROM T79477)(CTL)

1шт.

7

H77698

Tie Band

1шт.

9

19M7881

Screw

M8 X 20

2шт.

Washer

12M7065 NLA

2шт.

24M7055

Washer

8.400 X 16 X 1.600 mm

2шт.

10

4180555

Bracket

SUB FOR TH108579

1шт.

Выбрано товаров: 14