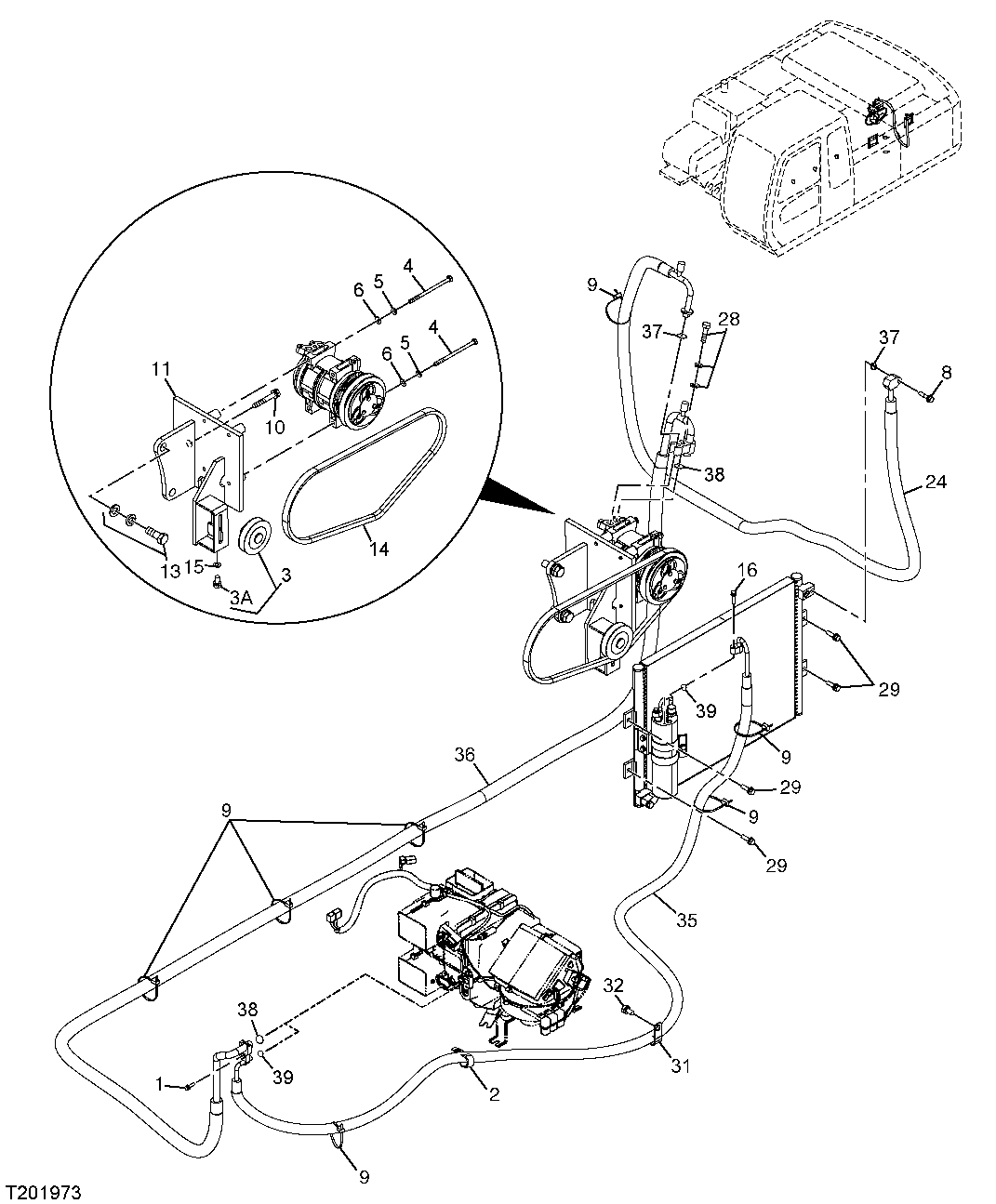
Запчасти John Deere 30CLC 147 - AIR CONDITIONER REFRIGERANT HOSES AND COMPRESSOR DRIVE BELT 1830 HEATING AND AIR CONDITIONING

Схема запчастей John Deere 30CLC - 147 - AIR CONDITIONER REFRIGERANT HOSES AND COMPRESSOR DRIVE BELT 1830 HEATING AND AIR CONDITIONING
FIT
1:1
100%

Артикул

Название

Примечание

Количество

1

19M7933

Cap Screw

M6 X 25 SUB FOR 19M7286

1шт.

24M7054

Washer

6.400 X 12 X 1.600 mm

1шт.

12M7006

Lock Washer

6 mm

1шт.

2

T24432

Clamp

1шт.

3

4346770

Pulley

SUB FOR AT213915

1шт.

3A

4451204

Bolt

1шт.

4

19M8404

Cap Screw

M8 X 130

4шт.

5

Washer

12M7065 NLA

4шт.

6

24M7055

Washer

8.400 X 16 X 1.600 mm

4шт.

8

19M8008

Cap Screw

M8 X 35

1шт.

24M7055

Washer

8.400 X 16 X 1.600 mm

1шт.

Washer

12M7065 NLA

1шт.

9

H77698

Tie Band

8шт.

10

THM111060

Bolt

1шт.

24M7028

Washer

10.500 X 20 X 2 mm

1шт.

12M7066

Lock Washer

10 mm

1шт.

11

DH700012

Bracket

SUB FOR THDH700012

1шт.

13

T116333

Bolt

SUB FOR THM111030

2шт.

24M7028

Washer

10.500 X 20 X 2 mm

2шт.

12M7066

Lock Washer

10 mm

2шт.

14

DH400223

V-Belt

SUB FOR THDH400223

1шт.

15

24M7055

Washer

8.400 X 16 X 1.600 mm

1шт.

16

19M7874

Cap Screw

M6 X 30

1шт.

24M7054

Washer

6.400 X 12 X 1.600 mm

1шт.

12H302

Lock Washer

1/4"

1шт.

24

4448284

Refrigerant Hose

Compressor To Condenser SUB FOR DH400220

1шт.

28

19M8260

Cap Screw

M10 X 40

1шт.

24M7028

Washer

10.500 X 20 X 2 mm

1шт.

12M7066

Lock Washer

10 mm

1шт.

29

19M7139

Cap Screw

M8 X 20

4шт.

Washer

12M7065 NLA

4шт.

24M7055

Washer

8.400 X 16 X 1.600 mm

4шт.

31

T24432

Clamp

1шт.

32

19M7938

Cap Screw

M10 X 20

1шт.

12M7066

Lock Washer

10 mm

1шт.

35

4458908

Refrigerant Hose

Condenser To Air Conditioner Unit

1шт.

36

4450993

Refrigerant Hose

Air Conditioner Unit To Compressor

1шт.

37

4421946

O-Ring

2шт.

38

4421939

O-Ring

2шт.

39

4422000

O-Ring

2шт.

Выбрано товаров: 40