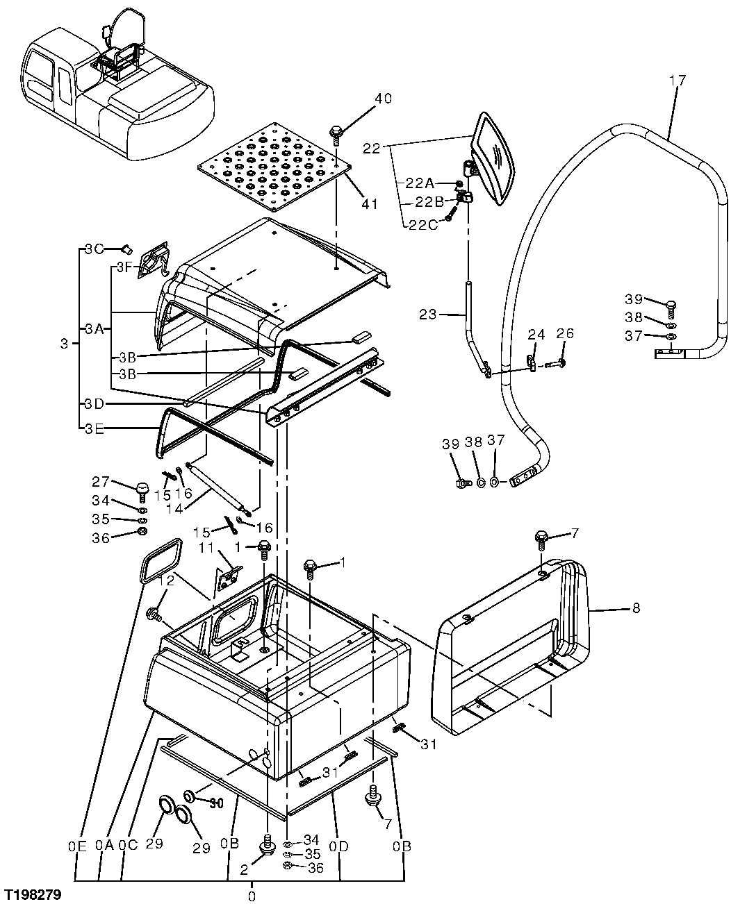
Запчасти John Deere 30CLC 162 - TOOL BOX 1910 HOOD OR ENGINE ENCLOSURE

Схема запчастей John Deere 30CLC - 162 - TOOL BOX 1910 HOOD OR ENGINE ENCLOSURE
FIT
1:1
100%

Артикул

Название

Примечание

Количество

0

Toolbox

Order Components

1шт.

0A

6018671J

Toolbox

SUB FOR TH6018671 OR 6018671

1шт.

0B

4426598

Isolator

SUB FOR TH4426598

2шт.

0C

4426599

Isolator

SUB FOR TH4426599

1шт.

0D

4429011

Isolator

SUB FOR TH4429011

1шт.

0E

4436409

Isolator

SUB FOR TH4436409

1шт.

1

19M7662

Cap Screw

M10 X 30

6шт.

12M7066

Lock Washer

10 mm

6шт.

24M7028

Washer

10.500 X 20 X 2 mm

6шт.

2

19M7662

Cap Screw

M10 X 30

2шт.

12M7066

Lock Washer

10 mm

2шт.

24M7028

Washer

10.500 X 20 X 2 mm

2шт.

3

8077778J

Cover

SUB FOR TH8077444 OR 8077778

1шт.

3A

Cover

SUB FOR TH6018662; 6018662 NLA

1шт.

3B

4358031

Hinge

SUB FOR TH4358031

1шт.

3C

4379989

Cylinder

SUB FOR TH4379989

1шт.

3D

4436279

Isolator

SUB FOR TH4436279

1шт.

3E

4443342

Sealing Trim

SUB FOR TH4443342

1шт.

3F

4363915

Latch

SUB FOR 4379984

1шт.

7

19M7662

Cap Screw

M10 X 30

4шт.

12M7066

Lock Washer

10 mm

4шт.

24M7028

Washer

10.500 X 20 X 2 mm

4шт.

8

7037241J

Cover

SUB FOR TH7037241 OR 7037241

1шт.

11

9745798

Catch

SUB FOR AT214409

1шт.

12

19M7662

Cap Screw

M10 X 30

2шт.

12M7058

Lock Washer

12 mm SUB FOR 12M7067

2шт.

24M7346

Washer

11 X 20 X 2 mm

2шт.

14

4352457

Cylinder

SUB FOR AT213967

1шт.

15

H132922

Cotter Pin

2шт.

16

24M7028

Washer

10.500 X 20 X 2 mm

2шт.

17

4600251

Handrail

SUB FOR 7039248 OR 7039248J

1шт.

22

4420724

Rear View Mirror

SUB FOR AT185207

1шт.

22A

14M7400

Lock Nut

M10

1шт.

22B

Clamp

NLA

1шт.

22C

03M7193

Bolt

M10 X 35

1шт.

23

8124253

Bracket

SUB FOR 8077521

1шт.

24

DH400660

Clamp

4425481 NLA

1шт.

26

19M7184

Cap Screw

M8 X 55

2шт.

Washer

12M7065 NLA

2шт.

27

4294508

Bumper

SUB FOR AT201032

2шт.

29

4276215

Grommet

SUB FOR AT155307

2шт.

30

4613243

Grommet

SUB FOR AT122152, 94-2807

1шт.

31

4426597

Bushing

SUB FOR TH4426597

3шт.

34

24M7028

Washer

10.500 X 20 X 2 mm

4шт.

35

12M7066

Lock Washer

10 mm

4шт.

36

14M7274

Nut

M10

4шт.

37

24M7047

Washer

13 X 24 X 2.500 mm

4шт.

38

12H301

Lock Washer

1/2"

4шт.

39

19M7493

Cap Screw

M12 X 40 SUB FOR J921240

4шт.

40

19M7662

Cap Screw

M10 X 30

4шт.

12M7066

Lock Washer

10 mm

4шт.

24M7028

Washer

10.500 X 20 X 2 mm

4шт.

41

3091337

Cover

SUB FOR TH3091337

1шт.

Выбрано товаров: 53