Запчасти John Deere 30CLC 172 - GENERAL PURPOSE BUCKET (SEE FOOTNOTE) 3302 BUCKET WITH TEETH

Схема запчастей John Deere 30CLC - 172 - GENERAL PURPOSE BUCKET (SEE FOOTNOTE) 3302 BUCKET WITH TEETH
FIT
1:1
100%

Артикул

Название

Примечание

Количество

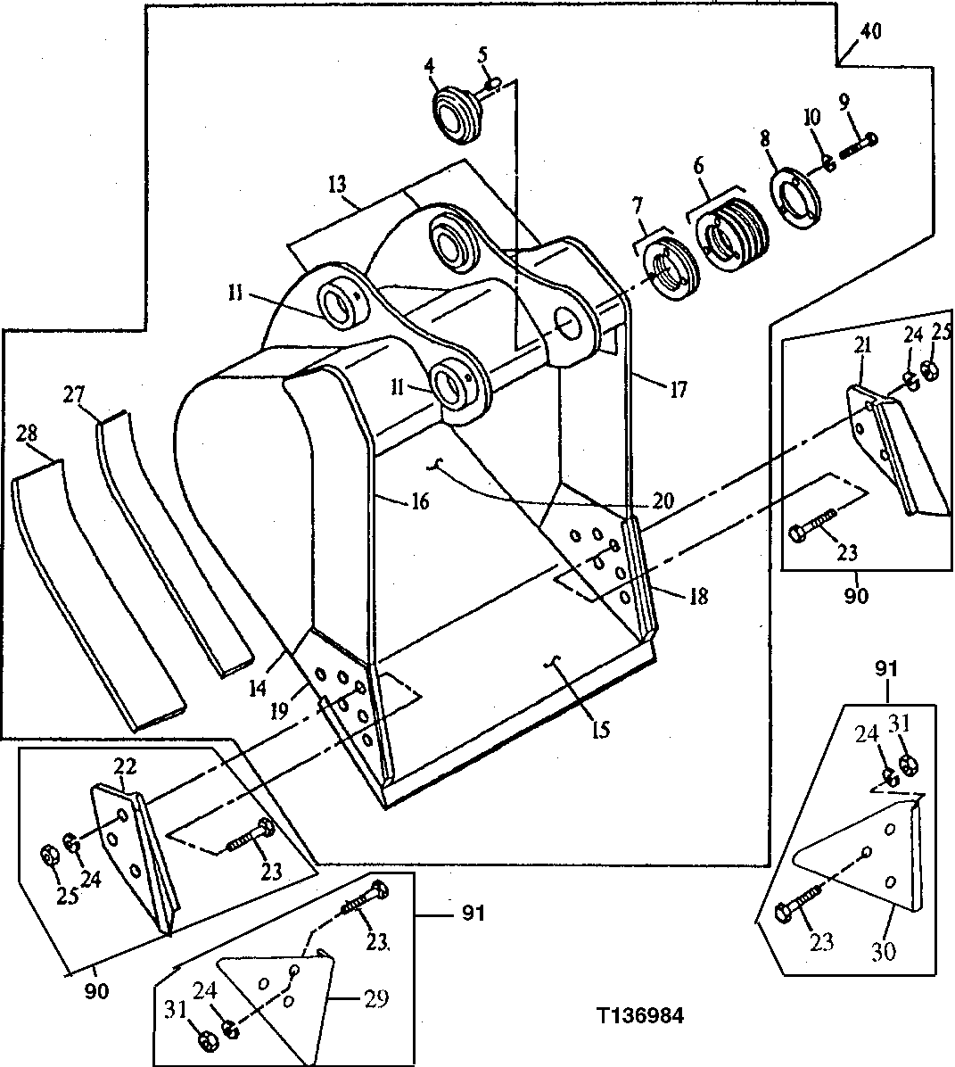
4

AT131084

Bushing

1шт.

5

R48685

Dowel Pin

1шт.

6

TH102460

Washer

1 MM

6шт.

7

TH102461

Shim

2шт.

8

Plate

( TH102463 NLA)

1шт.

9

19H2706

Cap Screw

5/8" X 2"

3шт.

10

12H294

Lock Washer

5/8"

3шт.

11

TH102409

Bushing

2шт.

13

C603692

Pivot

(B) Bucket Ear Blank Assembly

1шт.

14

307047

Plate

(B) (RH / LH)

2шт.

15

AT131090

Dura-Max Cutting Edge

(CUT TO LENGTH)

1шт.

16

300483

Vertical Cutter

(B) (UPPER RH)

1шт.

17

300484

Vertical Cutter

(B) (UPPER LH)

1шт.

18

300482

Vertical Cutter

(B) (LH)

1шт.

19

300481

Vertical Cutter

(B) (RH)

1шт.

20

600284

Moldboard

(B) (UPPER) (30 INCH)

1шт.

600285

Moldboard

(B) (UPPER) (36 INCH)

1шт.

600286

Moldboard

(B) (UPPER) (42 INCH)

1шт.

600287

Moldboard

(B) (UPPER) (48 INCH)

1шт.

600289

Moldboard

(B) (LOWER) (30 INCH)

1шт.

600290

Moldboard

(B) (LOWER) (36 INCH)

1шт.

600291

Moldboard

(B) (LOWER) (42 INCH)

1шт.

600392

Moldboard

(B) (LOWER) (48 INCH)

1шт.

21

Cutting Edge

(LH) (SUB AT131080)

1шт.

22

Cutting Edge

(RH) (SUB AT131080)

1шт.

23

09H1770

Bolt

7/8" X 2-1/2"

6шт.

24

12H245

Lock Washer

7/8"

6шт.

25

14H1077

Nut

7/8"

6шт.

27

307048

Bar

(B) (WEAR) (INNER)

1шт.

28

300479

Bar

(B) (WEAR) (OUTER)

2шт.

29

Shroud

Wear (SUB AT167874)

1шт.

30

Shroud

Wear (SUB AT167874)

1шт.

31

14H1044

Nut

7/8"

6шт.

40

Excavator Bucket

(A) ( AT167279 NLA) (24 INCH/ 0.95 CUBIC YARD) (WHOLE GOODS)

1шт.

Excavator Bucket

(A) ( AT163628 NLA) (30 INCH/ 1.20 CUBIC YARD) (WHOLE GOODS) (SUB FOR AT131032 OR AT131152)

1шт.

Excavator Bucket

(A) ( AT163629 NLA) (36 INCH/ 1.48 CUBIC YARD) (WHOLE GOODS)

1шт.

Excavator Bucket

(A) ( AT163630 NLA) (42 INCH/ 1.34 CUBIC YARD) (WHOLE GOODS)

1шт.

Excavator Bucket

(A) ( AT163631 NLA) (42 INCH/ 1.75 CUBIC YARD) (WHOLE GOODS) (SUB FOR AT131034 OR AT131154)

1шт.

Excavator Bucket

(A) ( AT163632 NLA) (48 INCH/ 2.03 CUBIC YARD) (WHOLE GOODS) (SUB FOR AT131035 OR AT131155)

1шт.

90

AT131080

End Bit

Side Cutter Kit (WHOLE GOODS)

1шт.

91

AT167874

Kit

Edge Protector (WHOLE GOODS)

1шт.

Выбрано товаров: 41