Запчасти John Deere 30LC 110 - Fan Drive Pulleys, Fan Belt, Tensioner and Support ( - 829272) 0429B Fan Drive (Damper, Idler, Pulleys, & Belt) PE6068HT051 PE6068HT051

Схема запчастей John Deere 30LC - 110 - Fan Drive Pulleys, Fan Belt, Tensioner and Support ( - 829272) 0429B Fan Drive (Damper, Idler, Pulleys, & Belt) PE6068HT051 PE6068HT051
FIT
1:1
100%

Артикул

Название

Примечание

Количество

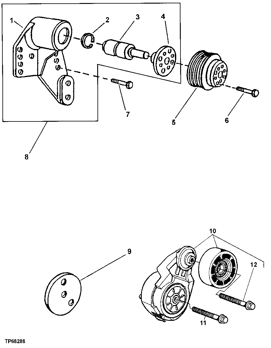
1

Bearing Housing W/ Bearing

(MARKED R134775)

1шт.

2

E1343FN

Snap Ring

1шт.

3

Shaft

(SUB RE500538)

1шт.

4

RE500538

Fan

(MARKED R123284)

1шт.

5

R128662

Pulley

1шт.

6

19M7784

Screw

M10 X 20

4шт.

7

19M7835

Screw

M10 X 35

4шт.

8

RE503664

Support

(MARKED R502014) (SUB FOR RE70177)

1шт.

9

R500321

Spacer

1шт.

10

RE70536

Belt Tensioner

1шт.

11

19M8131

Screw

M10 X 70 (SUB FOR 19M7809 AND 19M8340)

1шт.

12

R503813

Bolt

Left Hand Thread

1шт.

Выбрано товаров: 12