Запчасти John Deere 30LC 236 - Heavy Duty High Capacity Bucket (Also Order Bucket Tooth Assemblies) 3302 Bucket With Teeth

Схема запчастей John Deere 30LC - 236 - Heavy Duty High Capacity Bucket (Also Order Bucket Tooth Assemblies) 3302 Bucket With Teeth
FIT
1:1
100%

Артикул

Название

Примечание

Количество

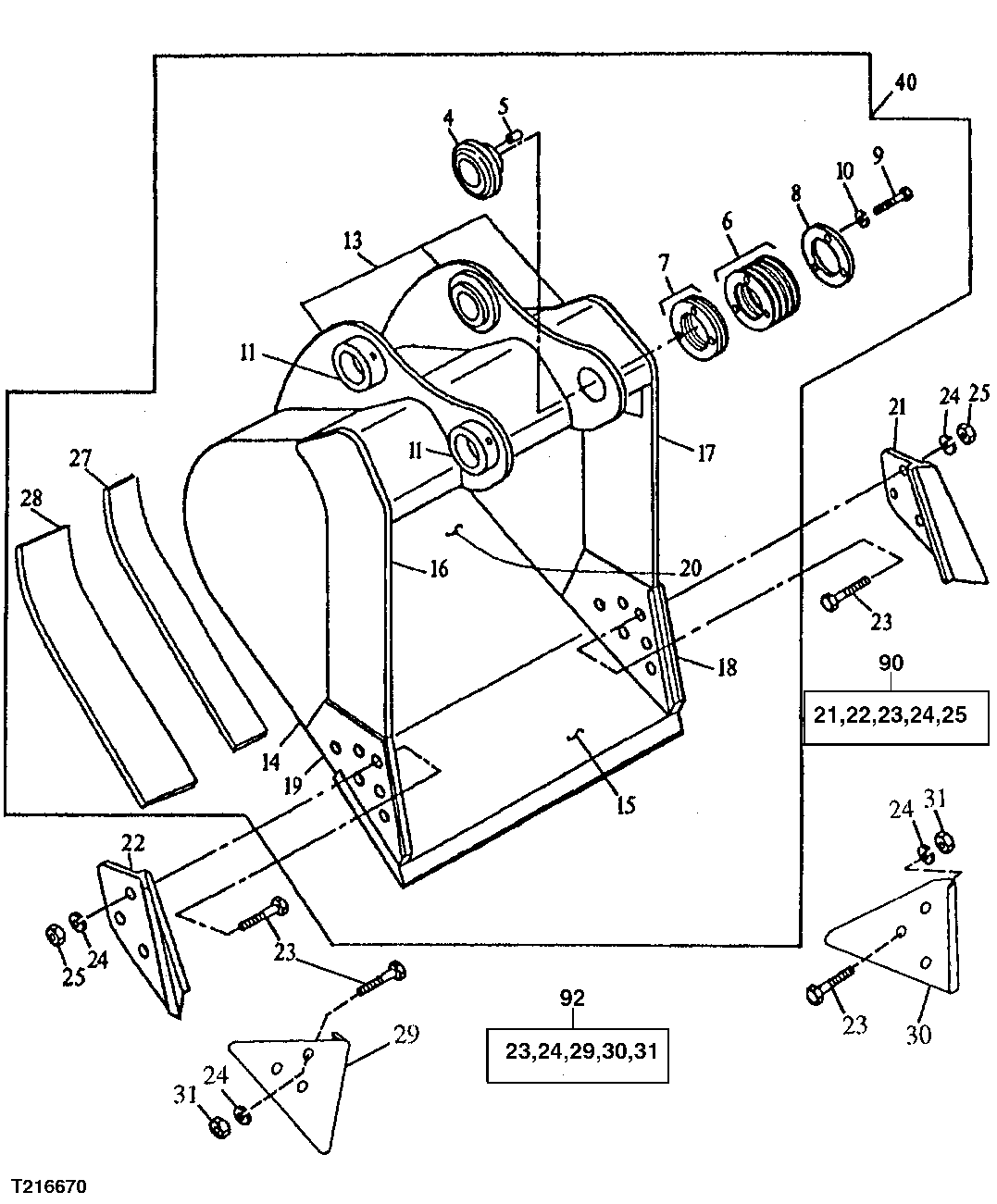
4

AT131084

Bushing

1шт.

5

R48685

Dowel Pin

1шт.

6

TH102460

Washer

(1 mm)

6шт.

7

TH102461

Shim

(.5 mm)

2шт.

8

Plate

( TH102463 NLA)

1шт.

9

19H2706

Cap Screw

5/8" X 2"

3шт.

10

12H294

Lock Washer

5/8"

3шт.

11

TH102409

Bushing

2шт.

13

C603692

Pivot

(F) (BUCKET EAR BLANK ASSEMBLY)

1шт.

14

306995

Plate

(F) (RH / LH)

2шт.

15

AT131097

Dura-Max Cutting Edge

(CUT TO LENGTH)

1шт.

16

300283

Vertical Cutter

(F) (UPPER RH)

1шт.

17

300284

Vertical Cutter

(F) (UPPER LH)

1шт.

18

304568

Vertical Cutter

(F) (LH)

1шт.

19

304567

Vertical Cutter

(F) (RH)

1шт.

20A

600171

Moldboard

(F) (UPPER)(20 INCH)

1шт.

600172

Moldboard

(F) (UPPER)(36 INCH)

1шт.

600173

Moldboard

(F) (UPPER)(42 INCH)

1шт.

20B

600166

Moldboard

(F) (LOWER)(30 INCH)

1шт.

600167

Moldboard

(F) (LOWER)(36 INCH)

1шт.

600168

Moldboard

(F) (LOWER)(42 INCH)

1шт.

21

Cutting Edge

(K) (SUB AT131085)

1шт.

22

Cutting Edge

(K) (SUB AT131085)

1шт.

23

09H1771

Bolt

(K) 7/8" X 3" (K2)

6шт.

24

12H245

Lock Washer

(K) 7/8" (K2)

6шт.

25

14H1077

Nut

(K) 7/8"

6шт.

27

300291

Bar

(F) (WEAR) (INNER)

2шт.

28

304559

Bar

(F) (WEAR) (OUTER)

2шт.

29

Shroud

(SUB AT167876)(WEAR) (K2)

1шт.

30

Shroud

(SUB AT167876)(WEAR) (K2)

1шт.

31

14H1044

Nut

7/8" (K2)

6шт.

40

Excavator Bucket

(A) (SUB AT332709)( AT163638 NLA) (24 INCH - .92 CUBIC YARD)

1шт.

Excavator Bucket

(A) (SUB AT332710)( AT163639 N LA) (30 INCH - 1.20 CUBIC YARD)

1шт.

Excavator Bucket

(A) (SUB AT332711)( AT163640 N LA) (36 INCH - 1.48 CUBIC YARD)

1шт.

Excavator Bucket

(A) (SUB AT332712)( AT163641 N LA) (42 INCH - 1.75 CUBIC YARD)

1шт.

90

Kit

(SIDE CUTTER KIT) INCLUDES A LL (K) PARTS ( AT131085 NLA)

1шт.

92

Kit

(EDGE PROTECTOR KIT) INCLUDES ALL (K2) PARTS ( AT167876 NLA)

1шт.

Выбрано товаров: 37