Запчасти John Deere 30LC 237 - Heavy Duty High Capacity Bucket 3302 Bucket With Teeth

Схема запчастей John Deere 30LC - 237 - Heavy Duty High Capacity Bucket 3302 Bucket With Teeth
FIT
1:1
100%

Артикул

Название

Примечание

Количество

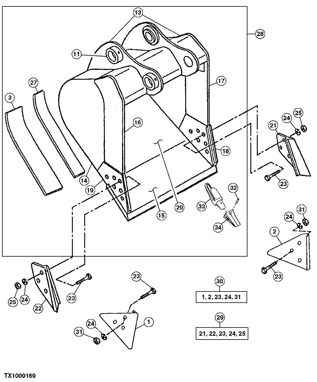
1

Shroud

RH

1шт.

2

Shroud

LH

1шт.

3

304559

Bar

Wear; Outer

2шт.

11

TH102409

Bushing

2шт.

13

C603692

Pivot

Bucket Ear Blank Assembly

1шт.

14

306995

Plate

RH/LH

2шт.

15

AT131097

Dura-Max Cutting Edge

CUT TO LENGTH; 72in

1шт.

T154189

Dura-Max Cutting Edge

CUT TO LENGTH; 42in

1шт.

T154188

Dura-Max Cutting Edge

CUT TO LENGTH; 36in

1шт.

16

300283

Vertical Cutter

UPPER RH

1шт.

17

300284

Vertical Cutter

UPPER LH

1шт.

18

304568

Vertical Cutter

LH

1шт.

19

304567

Vertical Cutter

RH

1шт.

20

600171

Moldboard

UPPER; 20 INCH

1шт.

600172

Moldboard

UPPER; 36 INCH

1шт.

600173

Moldboard

UPPER; 42 INCH

1шт.

600166

Moldboard

LOWER; 30 INCH

1шт.

600167

Moldboard

LOWER; 36 INCH

1шт.

600168

Moldboard

LOWER; 42 INCH

1шт.

21

Cutting Edge

LH

1шт.

22

Cutting Edge

RH

1шт.

23

09H1771

Bolt

7/8" X 3"

6шт.

24

12H245

Lock Washer

7/8"

6шт.

25

14H1077

Nut

7/8"

6шт.

27

300291

Bar

Wear; Inner

2шт.

28

AT339182

Excavator Bucket

24 Inch/0.92 Cubic Yard; AT332709 NLA

1шт.

AT339186

Excavator Bucket

30 Inch/1.20 Cubic Yard; AT332710 NLA

1шт.

AT339189

Excavator Bucket

36 Inch/1.48 Cubic Yard; AT332711 NLA

1шт.

AT339191

Excavator Bucket

42 Inch/1.75 Cubic Yard; AT332712 NLA

1шт.

29

End Bit

AT131085 NLA; Side Cutter Kit

1шт.

30

Kit

AT167876 NLA; Edge Protector

1шт.

31

14H1044

Nut

7/8"

6шт.

32

TP400HD

Pin

ARшт.

33

T802X400

Bucket Tooth Adapter

ARшт.

34

TF400

Tooth

ARшт.

Выбрано товаров: 35