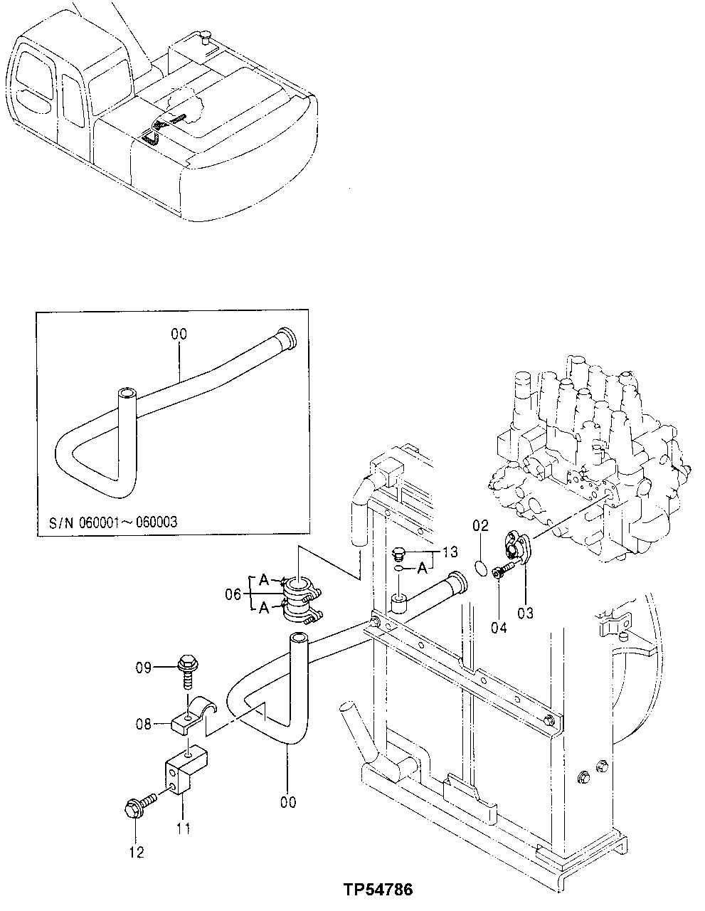
Запчасти John Deere 30LC 283 - Return Lines (Control Valve To Oil Cooler) 3360 Hydraulic System

Схема запчастей John Deere 30LC - 283 - Return Lines (Control Valve To Oil Cooler) 3360 Hydraulic System
FIT
1:1
100%

Артикул

Название

Примечание

Количество

0

8066925

Oil Tube

(SUB FOR AT217882 ) (ALSO ORDE R TH110478 ) (SUB FOR AT217892)

1шт.

8066925

Oil Tube

(SUB FOR AT217892)

1шт.

2

T72216

O-Ring

37.694 X 3.531 mm (1-31/64" X 0.139")

1шт.

3

R29867

Flange Fitting

2шт.

4

19M7576

Screw

M10 X 30 (SUB FOR J781030)

4шт.

6

4069801

Coupling

(SUB FOR TH101915, 4712341 AND 4196259)

1шт.

6A

4196259

Seal

(NLA, ORDER 4069801) (SUB FOR TH106966)

2шт.

8

4053698

Clamp

(SUB FOR TH101936)

1шт.

9

12H301

Lock Washer

1/2"

1шт.

19M7753

Cap Screw

M12 X 70

1шт.

11

9742737

Support

(SUB FOR AT217907)

1шт.

12

19M7662

Cap Screw

M10 X 30

2шт.

12M7066

Lock Washer

10 mm

2шт.

24M7028

Washer

10.500 X 20 X 2 mm

2шт.

13

4174542

Drain Plug

(SUB FOR TH110478)

1шт.

13A

AT318035

O-Ring

(SUB FOR 4506424, TH100055)

1шт.

Выбрано товаров: 16