Запчасти John Deere 30LCR 76 - Engine Oil Filter And Adapter (046291 - ) 0407A Engine Oiling System TO6068HT051 TO6068HT051

Схема запчастей John Deere 30LCR - 76 - Engine Oil Filter And Adapter (046291 - ) 0407A Engine Oiling System TO6068HT051 TO6068HT051
FIT
1:1
100%

Артикул

Название

Примечание

Количество

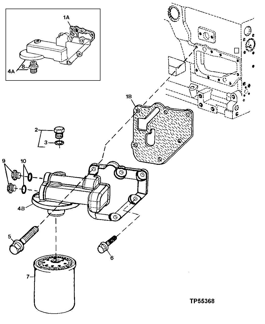
1A

R500374

Gasket

1шт.

2

RE52242

Plug

ARшт.

3

51M7042

O-Ring

13.300 X 2.200 mm

1шт.

4A

RE500133

Filter Head

1шт.

5

19M7802

Screw

M8 X 65

5шт.

6

RE67238

Screw

M8 X 20 (WITH PRE-APPLIED SEALANT)

1шт.

7

RE59754

Oil Filter

1шт.

8

Adapter Fitting

( R123591 NLA, FURNISH RE503727)

1шт.

9

R116115

Fitting

2шт.

10

51M7045

O-Ring

19.300 X 2.200 mm

2шт.

Выбрано товаров: 10