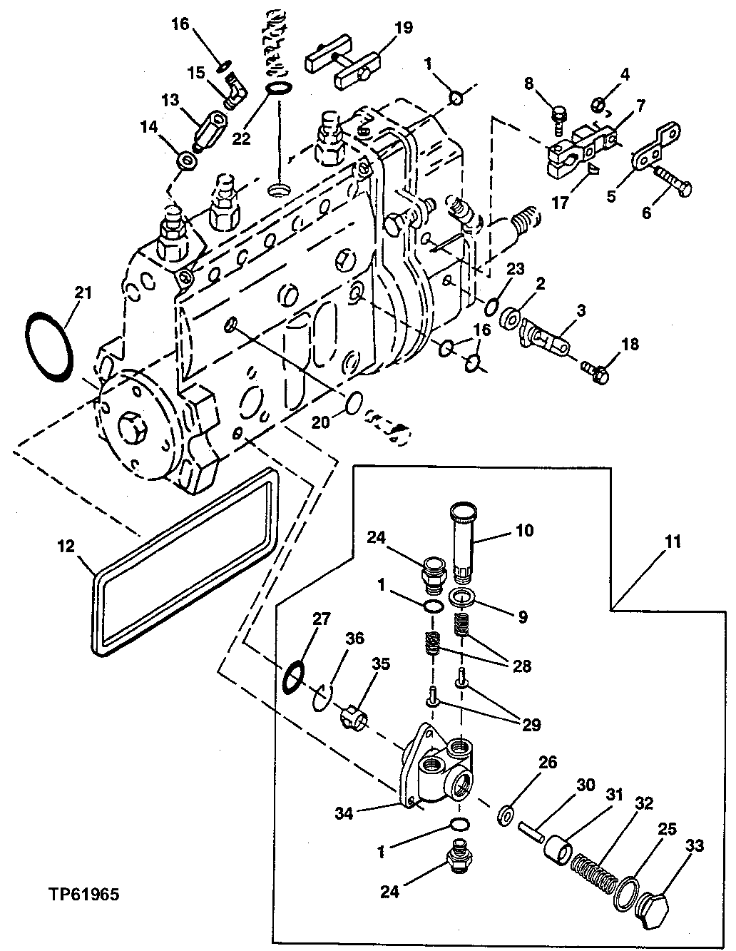
Запчасти John Deere 30LCR 86 - Fuel Injection Pump Levers (046291 - ) 0413A Fuel Injection System TO6068HT051 TO6068HT051

Схема запчастей John Deere 30LCR - 86 - Fuel Injection Pump Levers (046291 - ) 0413A Fuel Injection System TO6068HT051 TO6068HT051
FIT
1:1
100%

Артикул

Название

Примечание

Количество

1

51M7041

O-Ring

11.300 X 2.200 mm

3шт.

2

R64995

Retainer

1шт.

3

R135163

Lever

SHUT-OFF

1шт.

4

R64989

Lock Nut

1шт.

5

R135874

Lever

THROTTLE

1шт.

6

R65437

Cap Screw

1шт.

7

R64967

PRY Bar

1шт.

8

R64969

Screw

1шт.

9

R64854

Washer

1шт.

10

RE500376

Hand Primer

1шт.

11

RE500375

Fuel Pump

(TRANSFER PUMP)

1шт.

12

R500220

Gasket

1шт.

13

RE500374

Control Valve

1шт.

14

R64857

Washer

1шт.

15

RE502173

Fitting

1шт.

16

51M7039

O-Ring

8.100 X 1.600 mm

2шт.

17

R64968

Shaft Key

1шт.

18

R73885

Screw

1шт.

19

R77536

Jaw

CLAMPING

1шт.

20

R78773

Packing

1шт.

21

R73864

O-Ring

1шт.

22

R73821

O-Ring

6шт.

23

R64997

O-Ring

1шт.

24

RE60031

Fitting

2шт.

25

R64861

Washer

1шт.

26

R502362

Seal

1шт.

27

R64927

O-Ring

1шт.

28

Spring

2шт.

29

Valve

2шт.

30

Spindle

1шт.

31

Plunger

1шт.

32

Spring

1шт.

33

Pipe Plug

1шт.

34

Housing

1шт.

35

Roller

1шт.

36

Snap Ring

1шт.

Выбрано товаров: 36