Запчасти John Deere 30LCR 121 - Engine Oil Filter And Adapter ( - 829272) 0407B Engine Oiling System PE6068HT051 PE6068HT051

Схема запчастей John Deere 30LCR - 121 - Engine Oil Filter And Adapter ( - 829272) 0407B Engine Oiling System PE6068HT051 PE6068HT051
FIT
1:1
100%

Артикул

Название

Примечание

Количество

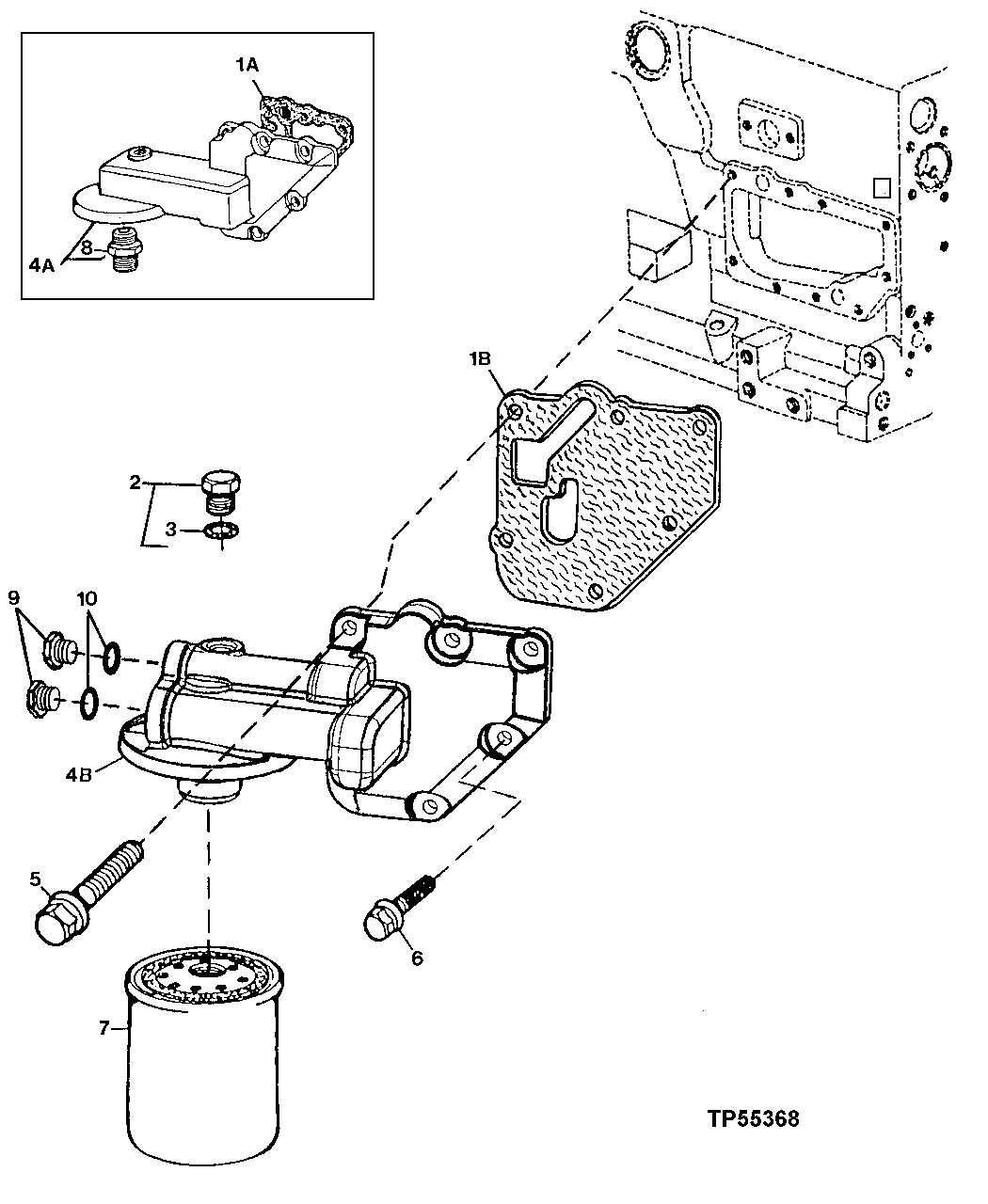
1A

R123525

Gasket

1шт.

1B

R500374

Gasket

1шт.

2

RE46716

Fitting

w/o Turbo

ARшт.

RE52242

Drain Plug

w/o Turbo

ARшт.

3

51M7042

O-Ring

13.300 X 2.200 mm

1шт.

4A

RE59908

Filter Head

(MARKED R123475) (SUB RE500133) (ALSO OR DER (2) R116115, (2) 51M7045 AND R500374)

1шт.

4B

RE500133

Adapter

1шт.

5

19M7802

Screw

M8 X 65

5шт.

6

RE67238

Screw

M8 X 20, w/ Pre-Applied Sealant

1шт.

7

RE59754

Oil Filter

1шт.

8

Adapter Fitting

( R123591 NLA, FURNISH RE503727)

1шт.

9

R116115

Fitting

2шт.

10

51M7045

O-Ring

19.300 X 2.200 mm

2шт.

Выбрано товаров: 0