Запчасти John Deere 30LCR 129 - Fuel Injection System ( - 829272) 0413B Fuel Injection System PE6068HT051 PE6068HT051

Схема запчастей John Deere 30LCR - 129 - Fuel Injection System ( - 829272) 0413B Fuel Injection System PE6068HT051 PE6068HT051
FIT
1:1
100%

Артикул

Название

Примечание

Количество

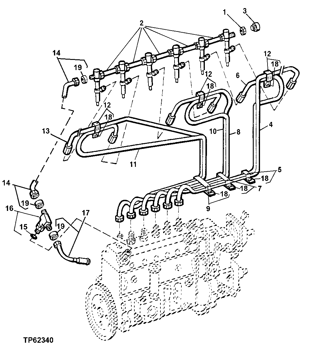
1

R123593

Tube Nut

1шт.

2

RE68748

Tube

5шт.

R51936

Sealing Washer

10шт.

3

AR85519

Plug

1шт.

4

RE59917

Fuel Line

NO.6

1шт.

5

RE19797

Clamp

(1, 2 5, 6)

2шт.

6

RE59916

Fuel Line

NO.5

1шт.

7

RE19799

Clamp

(1, 2, 3, 4 AND 3, 4, 5, 6)

2шт.

8

RE59915

Fuel Line

NO. 4

1шт.

9

RE19800

Clamp

All Lines

1шт.

10

RE59914

Fuel Line

NO. 3

1шт.

11

RE59913

Fuel Line

NO. 2

1шт.

12

RE19797

Clamp

(1, 2 3, 4 5, 6)

3шт.

13

RE59912

Fuel Line

NO.1

1шт.

14

RE60175

Fuel Line

Leak Off

1шт.

15

51M7039

O-Ring

8.100 X 1.600 mm Leak Off

1шт.

16

RE502175

Fitting

(SUB FOR RE66742) Tee Leak Off

1шт.

51M7039

O-Ring

8.100 X 1.600 mm

1шт.

17

RE67050

Fuel Line

Leak Off

1шт.

18

19M7923

Cap Screw

M6 X 12

8шт.

19

R51936

Sealing Washer

3шт.

Выбрано товаров: 21