Качественные детали и логистика
Оригинальные и аналоговые запчасти с доставкой по России, Казахстану и Беларуси
©2022 PartSell ООО "Система" ИНН 2463123282 ОГРН 1212400004838
Центральный офис: г. Красноярск, Академика Киренского, д.87, пом.4
Телефон: 8 (800) 777-65-74 Email: zakaz@partsell.ru
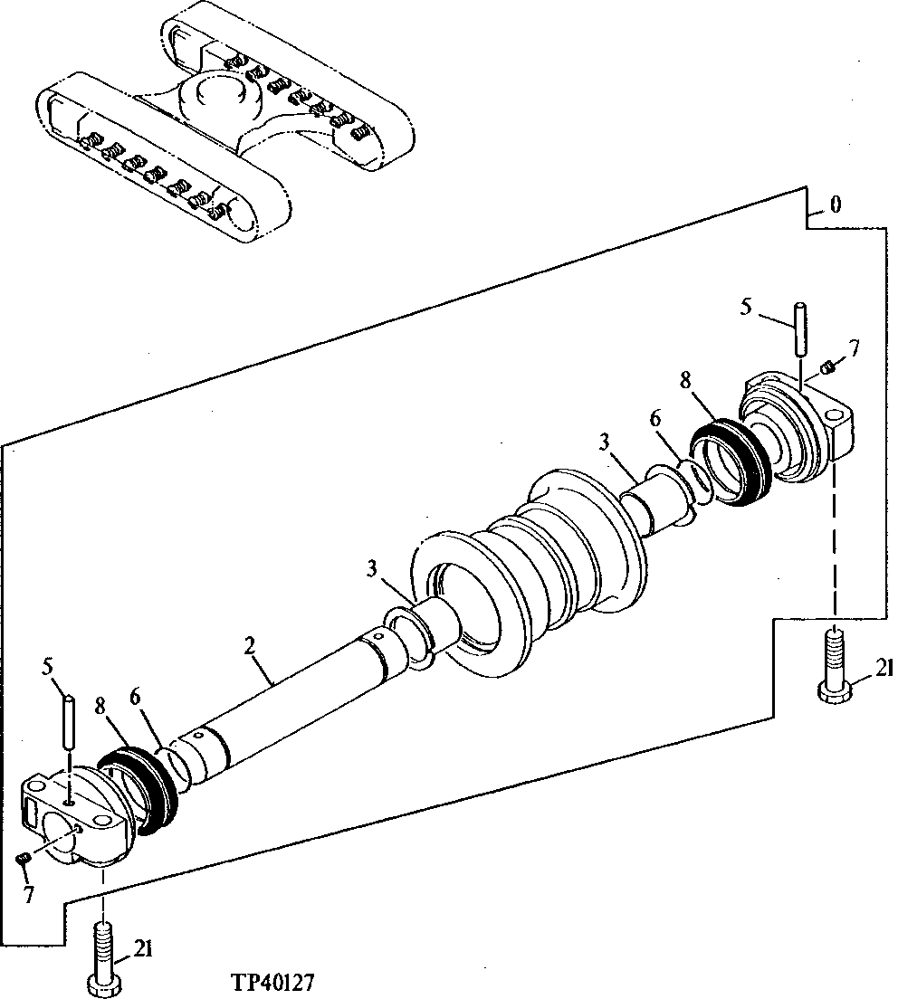
7 - Lower Roller
№
Артикул
Название
Примечание
Количество
0
AT444699
Roller
AT319466 NLA; SUB FOR AT332621
18шт.
2
Shaft
NOT AVAILABLE FOR SERVICE
1шт.
3
AT180013
Bushing
65 X 69 X 64.500 mm (2. 559" X 2.717" X 2.539")
2шт.
5
AT180009
Pin Fastener
6
AT180012
O-Ring
59.400 X 3.100 mm (2.339" X 0.122")
7
AT180007
Fitting Plug
8
AT180011
Seal
21
4331851
Cap Screw
SUB FOR AT213839
72шт.
Выбрано товаров: 0