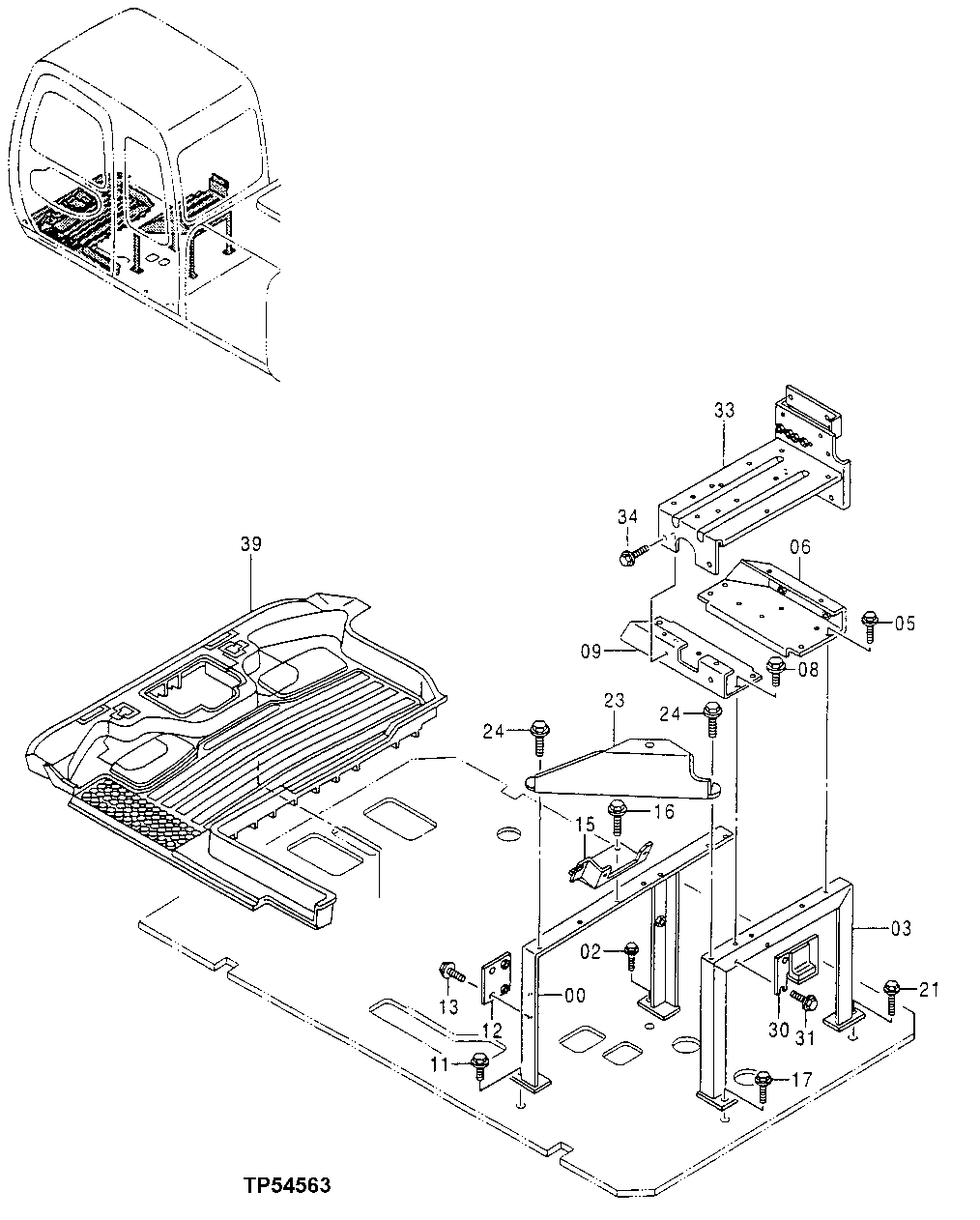
Запчасти John Deere 30LCR 230 - CAB FLOOR PARTS 1810 OPERATOR ENCLOSURE

Схема запчастей John Deere 30LCR - 230 - CAB FLOOR PARTS 1810 OPERATOR ENCLOSURE
FIT
1:1
100%

Артикул

Название

Примечание

Количество

0

7030838

Support

SUB FOR AT215990

1шт.

2

12M7066

Lock Washer

10 mm

1шт.

19M7402

Cap Screw

M10 X 25

1шт.

3

7030839

Support

SUB FOR AT215991

1шт.

5

19M7881

Screw

M8 X 20

4шт.

6

8060883

Bracket

SUB FOR AT215996

1шт.

8

19M7881

Screw

M8 X 20

4шт.

9

8060884

Bracket

SUB FOR AT215997

1шт.

11

19M7662

Cap Screw

M10 X 30

1шт.

24M7028

Washer

10.500 X 20 X 2 mm

1шт.

12M7066

Lock Washer

10 mm

1шт.

12

9743487

Bracket

SUB FOR AT216026

1шт.

13

19M7881

Screw

M8 X 20

2шт.

15

8060885

Bracket

SUB FOR AT215998

1шт.

16

19M7881

Screw

M8 X 20

2шт.

17

12M7066

Lock Washer

10 mm

1шт.

19M7402

Cap Screw

M10 X 25

1шт.

21

19M7662

Cap Screw

M10 X 30

1шт.

24M7028

Washer

10.500 X 20 X 2 mm

1шт.

12M7066

Lock Washer

10 mm

1шт.

23

AT307700

Bracket

SUB FOR AT216027 OR 9743628

1шт.

24

Washer

12M7065 NLA

2шт.

19M7881

Screw

M8 X 20

2шт.

24M7055

Washer

8.400 X 16 X 1.600 mm

2шт.

30

8061717

Bracket

SUB FOR AT216000

1шт.

31

19M7881

Screw

M8 X 20

2шт.

33

7029268

Bracket

SUB FOR AT215992

1шт.

34

19M7881

Screw

M8 X 20

4шт.

39

0002043

Mat

SUB FOR AT213625

1шт.

Выбрано товаров: 29