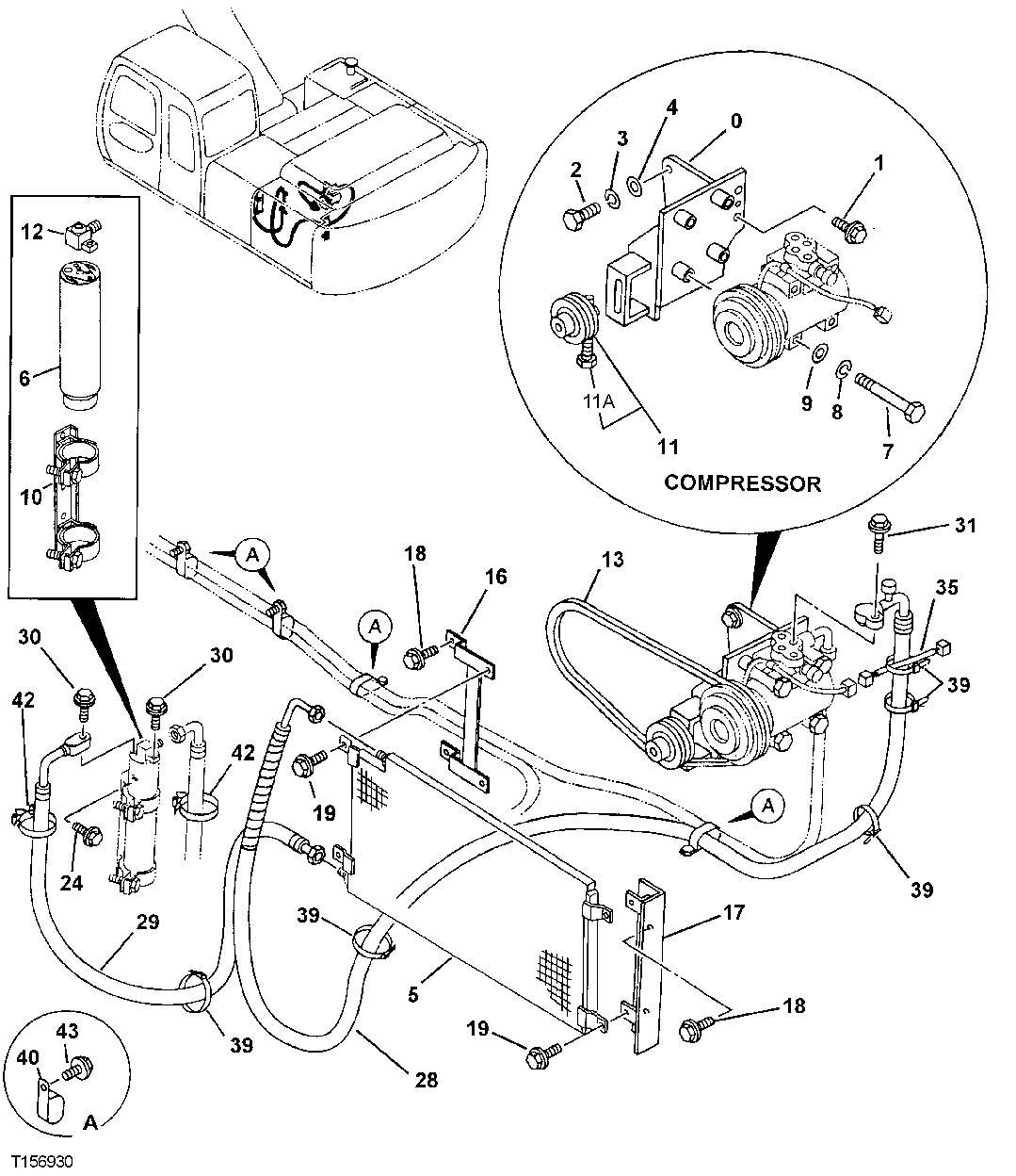
Запчасти John Deere 30LCR 247 - AIR CONDITIONER SYSTEM 1830 Heating & Air Conditioning

Схема запчастей John Deere 30LCR - 247 - AIR CONDITIONER SYSTEM 1830 Heating & Air Conditioning
FIT
1:1
100%

Артикул

Название

Примечание

Количество

0

7033278

Bracket

SUB FOR AT218181

1шт.

1

19M8081

Cap Screw

M10 X 80 SUB FOR AT215468 OR J021080; USE ALONG WITH 12M7066 , AND 24M7028

2шт.

12M7066

Lock Washer

10 mm

2шт.

24M7028

Washer

10.500 X 20 X 2 mm

2шт.

2

19M7489

Cap Screw

M16 X 45

2шт.

3

12H294

Lock Washer

5/8"

2шт.

4

24M7053

Washer

17 X 30 X 3 mm

2шт.

5

4356628

Heat Exchanger

SUB FOR AT215526

1шт.

6

4333461

Tank

SUB FOR AT215511

1шт.

7

A37912

Bolt

SUB FOR AT218182 AND J900803

4шт.

8

Washer

12M7065 NLA

4шт.

9

24M7055

Washer

8.400 X 16 X 1.600 mm

4шт.

10

4333462

Support

SUB FOR AT215512

1шт.

11

4346770

Pulley

SUB FOR AT213915

1шт.

11A

4451204

Bolt

1шт.

12

4374958

Adapter Fitting

SUB FOR AT217131

1шт.

13

4160800

V-Belt

SUB FOR AT218183

1шт.

4339993

V-Belt

SUB FOR AT182688

1шт.

16

8069287

Bracket

SUB FOR AT218184

1шт.

17

8069290

Bracket

SUB FOR AT218185

1шт.

18

19M7402

Cap Screw

M10 X 25

4шт.

12M7066

Lock Washer

10 mm

4шт.

24M7028

Washer

10.500 X 20 X 2 mm

4шт.

19

19M7881

Screw

M8 X 20

4шт.

24

19M7881

Screw

M8 X 20

2шт.

28

4386784

Refrigerant Hose

SUB FOR AT218186

1шт.

29

4386787

Refrigerant Hose

SUB FOR AT218187

1шт.

30

19M7933

Cap Screw

M6 X 25

2шт.

12M7006

Lock Washer

6 mm

2шт.

24M7054

Washer

6.400 X 12 X 1.600 mm

2шт.

31

19M7874

Cap Screw

M6 X 30

2шт.

12H302

Lock Washer

1/4"

2шт.

35

4342850

Wiring Harness

SUB FOR AT215519

1шт.

39

H77698

Tie Band

5шт.

40

4190266

Clip

SUB FOR TH108793

4шт.

42

4254600

Clip

SUB FOR AT154928

2шт.

43

19M7938

Cap Screw

M10 X 20

4шт.

12M7066

Lock Washer

10 mm

4шт.

Выбрано товаров: 38