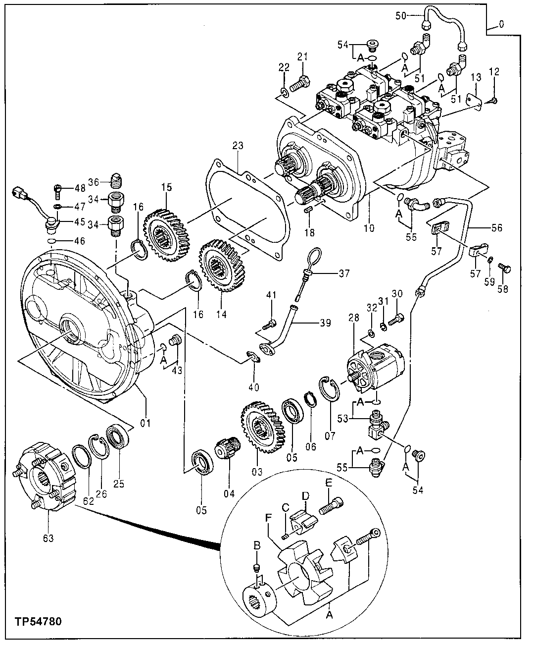
Запчасти John Deere 30LCR 285 - MAIN HYDRAULIC PUMP 2160 Vehicle Hydraulics

Схема запчастей John Deere 30LCR - 285 - MAIN HYDRAULIC PUMP 2160 Vehicle Hydraulics
FIT
1:1
100%

Артикул

Название

Примечание

Количество

0

9155142

Hydraulic Pump

NLA, ORDER 9155142EX

1шт.

9155142EX

Hydraulic Pump Reman

AT183688 NO LONGER AVAILABLE REM AN FOR 9155142; SUB FOR AT218216

1шт.

1

1020527

Gear Case

SUB FOR AT217713

1шт.

3

3063840

Gear

SUB FOR AT202414

1шт.

4

3055594

Shaft

SUB FOR AT202412

1шт.

5

JD8514

Ball Bearing

2шт.

6

962002

Snap Ring

SUB FOR TH100483

1шт.

7

40M7090

Snap Ring

1шт.

10

Housing

PUMP UNIT, SEE FOLLOWI NG PAGE FOR COMPONENTS

1шт.

12

37H99

Screw

0.100" X 1/4"

2шт.

13

Identification Plate

1шт.

14

3063842

Gear

SUB FOR AT202415

1шт.

15

3063843

Gear

SUB FOR AT202416

1шт.

16

AT152406

Snap Ring

SUB FOR AT203647, 4274552

2шт.

18

34M7061

Spring Pin

8 X 20 mm

2шт.

21

19M7489

Cap Screw

M16 X 45

6шт.

22

12H294

Lock Washer

5/8"

6шт.

23

8058352

Gasket

SUB FOR AT214350

1шт.

25

4310055

Seal

SUB FOR AT202443

1шт.

26

40M7090

Snap Ring

1шт.

28

9218005

Pump

Components On Separate Page , SUB FOR AT202122, 4276918

1шт.

A811085

O-Ring

1шт.

30

19M8337

Screw

M10 X 30

2шт.

31

12M7135

Lock Washer

10 mm SUB FOR 12M6791

2шт.

32

4114402

Washer

SUB FOR TH102181

2шт.

34

4317633

Adapter Fitting

SUB FOR AT202452

2шт.

36

4234782

Plug

SUB FOR AT200990

1шт.

37

4340855

Level Gauge

SUB FOR AT204835

1шт.

39

9743977

Dipstick Tube

SUB FOR AT214406

1шт.

40

9742779

Gasket

SUB FOR AT214401

1шт.

41

19M7647

Screw

M8 X 16 SUB FOR AT217709

2шт.

43

9134111

Fitting

SUB FOR AT203648

1шт.

43A

CH11570

O-Ring

13.800 X 2.400 mm (0.543" X 3/32")

1шт.

45

4265372

Sensor

SUB FOR AT154297, ENGINE SPEED

1шт.

46

4306888

O-Ring

SUB FOR AT154310

1шт.

47

24M7054

Washer

6.400 X 12 X 1.600 mm

1шт.

48

19M8553

Screw

M6 X 16

1шт.

50

4369148

Oil Line

SUB FOR AT214046

1шт.

51

4293950

Fitting

SUB FOR TH109468 OR AT160584

2шт.

51A

M800650

Packing

1шт.

53

4278547

Adapter Fitting

SUB FOR AT154349

1шт.

53A

4506418

O-Ring

SUB FOR U46489

1шт.

54

9134110

Fitting

SUB FOR AT203649

2шт.

54A

M800650

Packing

1шт.

55

4293950

Fitting

SUB FOR TH109468 OR AT160584

2шт.

55A

M800650

Packing

1шт.

56

3071564

Oil Line

SUB FOR AT213775

1шт.

57

9736515

Clamp

SUB FOR AT154545

2шт.

58

19M7513

Cap Screw

M8 X 30 SUB FOR 19M7288

1шт.

59

Washer

12M7065 NLA

1шт.

62

4340686

Plate

SUB FOR AT204834

1шт.

63

4314298

Coupling

SUB FOR AT202449

1шт.

63A

4341223

Hub

SUB FOR AT204892

1шт.

63B

4334902

Set Screw

SUB FOR AT204888

2шт.

63C

34M7117

Spring Pin

5 X 10 mm

4шт.

63D

4183166

Insert

SUB FOR TH109475

4шт.

63E

T108085

Cap Screw

M16 X 50

4шт.

63F

4183165

Coupling

1шт.

Выбрано товаров: 58