Запчасти John Deere 30LCR 381 - CONTROLS, PILOT, ROCK DRILL HYDRAULICS 3362 Control & Load Holding Valves

Схема запчастей John Deere 30LCR - 381 - CONTROLS, PILOT, ROCK DRILL HYDRAULICS 3362 Control & Load Holding Valves
FIT
1:1
100%

Артикул

Название

Примечание

Количество

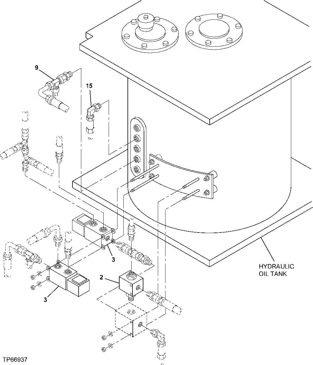
1

AE52955

Adapter Fitting

(NOT ILLUSTRATED) (IN OUT PUT SIDE OF SHUTTLE VALVE)

2шт.

2

AH91325

Check Valve

(ATTACH TO ELBOW AT SOLE NOID MANIFOLD, REAR SIDE)

1шт.

3

AT306723

Elec.Proportional Valve

(SUB FOR AT116486 AND AT140041)(MOUN T TO LONGER SCREWS FACED IN OPPOSITE DIRECTION OF HANDHELD SOLENOID VALVE)

2шт.

Electrical Coil

( AT140041 NO LONGER AVAILABLE)

1шт.

4

AT130053

Hose

(NOT ILLUSTRATED) (IN TOP OF AUXILIARY VALVE SPOOL)

1шт.

5

AT186966

Hydraulic Hose

(NOT ILLUSTRATED) (SOLENOID VALVE PO RT 1 TEE TO TEE AT RESERVOIR) (SHUTTL E VALVE TEE TO TOP OF AUXILIARY SPOOL )

2шт.

6

AT186968

Hydraulic Hose

(NOT ILLUSTRATED) (BOTTOM OF AUXILIAR Y SPOOL TO RETURN ELBOW AT RESERVOIR)

1шт.

7

AT213824

Hydraulic Hose

(NOT ILLUSTRATED) (PORT 4 OF TOOL SOLENOID V ALVE TO PORT 3 OF ROCK DRILL SOLENOID VALVE)

1шт.

8

AT35121

Elbow Fitting

(NOT ILLUSTRATED) (PORT 3 OF SOLE NOID VALVE) (SIDE OF SHUTTLE VALVE , ATTACH HOSE FROM SHUTOFF VALVE)

2шт.

9

AT36921

Tee Fitting

(PORT 4 OF FLOW DIVIDER VALV E TO TEE AT RESERVOIR RETURN)

1шт.

10

AT37518

Tee Fitting

(NOT ILLUSTRATED) (PORT 1 OF SOLENOID VALVE AND SIDE PORT OF SHUTTLE VALVE)

2шт.

11

AT38635

Hydraulic Hose

(NOT ILLUSTRATED) (SOLENOID VAL VE PORT 4 TO SHUTTLE VALVE TEE)

1шт.

12

CH11570

O-Ring

(NOT ILLUSTRATED) (ON BSPP FIT TINGS-RESERVOIR ELBOW AND AT130 053 ADAPER IN AUXILIARY SECTION )

4шт.

13

R26448

O-Ring

(NOT ILLUSTRATED) (ON ALL-6 O -RING FITTINGS AT VALVE PORTS)

7шт.

14

R27212

Fitting

(NOT ILLUSTRATED) (PORT 2 AND 4 OF SOLENOID VALVE)

2шт.

15

A852333

Elbow Fitting

(SUB FOR TH101047 ) (SUB FOR 4154671)(I N RESERVOIR RETURN PORT SECOND FROM TOP)

1шт.

16

4200466

Adapter Fitting

(SUB FOR TH108320)(NOT ILLUSTRATED) (IN BOTTOM OF AUXILIARY VALVE SPOOL)

1шт.

17

19M6641

Screw

M6 X 80 (SUB FOR 19M8482)(NOT ILLUSTRATED) (ATTACH SOLENOID VALVES TO MOUNTING PLATE)

2шт.

18

38H1257

Tee Fitting

(NOT ILLUSTRATED) (TO ADAPTER FITTIN G ON MAJOR RETURN LINE TO RESERVOIR)

1шт.

Выбрано товаров: 0