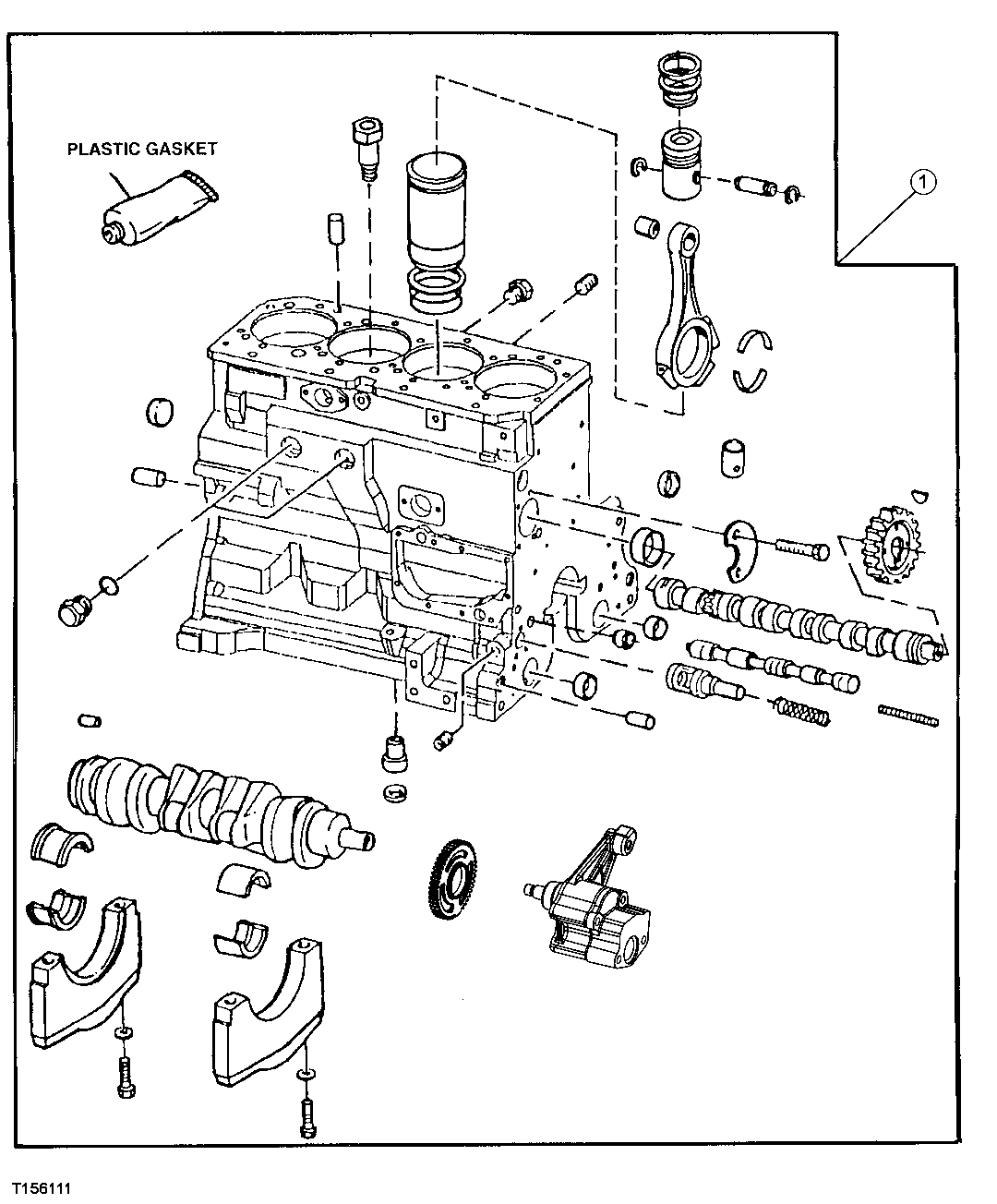
Запчасти John Deere 30LCR 29 - ENGINE SHORT BLOCK 0404A CYLINDER BLOCK 4045TT050 4045TT050

Схема запчастей John Deere 30LCR - 29 - ENGINE SHORT BLOCK 0404A CYLINDER BLOCK 4045TT050 4045TT050
FIT
1:1
100%

Артикул

Название

Примечание

Количество

1

RE516099

Short Block Assembly

(MARKED R115081 ) (SUB FOR RE659 53)(DOES NOT INCLUDE FRONT PLATE)

1шт.

Выбрано товаров: 0