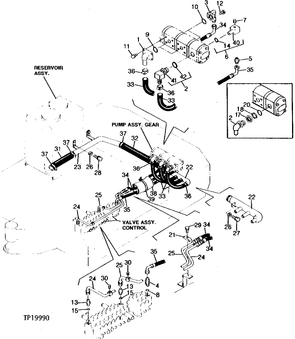
Запчасти John Deere 5 6 - HYDRAULIC SYSTEM VALVE LINES AND HOSES 2160 - MAIN HYDRAULIC SYSTEM 21

Схема запчастей John Deere 5 - 6 - HYDRAULIC SYSTEM VALVE LINES AND HOSES 2160 - MAIN HYDRAULIC SYSTEM 21
FIT
1:1
100%

Артикул

Название

Примечание

Количество

1

T110287

FLANGE

2шт.

2

AT110070

FITTING

1шт.

AT111533

FITTING

1шт.

3

T111092

FLANGE

2шт.

4

T111097

ADAPTER

1шт.

5

4154653

ADAPTER

(SUB FOR T110871) (SUB FOR TH100989)

1шт.

6

AT111511

FITTING

1шт.

7

T110873

PLUG

1шт.

8

CH11570

O-RING

1шт.

9

CH11566

PACKING

2шт.

10

CH11566

PACKING

2шт.

11

12M7066

LOCK WASHER

10 MM

8шт.

19M7166

CAP SCREW

M10 X 20

8шт.

12

12M7066

LOCK WASHER

10 MM

8шт.

19M7166

CAP SCREW

M10 X 20

8шт.

13

T110589

FITTING

2шт.

14

T110590

PACKING

1шт.

15

T110590

PACKING

2шт.

17

T110597

NUT

1шт.

18

T110598

BACK-UP RING

1шт.

20

T118681

O-RING

(SUB FOR T110604)

1шт.

21

T110033

RETAINER

1шт.

22

AT110073

TUBE

1шт.

23

AT110074

TUBE

1шт.

24

AT110446

OIL LINE

1шт.

25

AT110447

OIL LINE

1шт.

26

24M7028

WASHER

10.500 X 20 X 2 MM

5шт.

27

12M7066

LOCK WASHER

10 MM

1шт.

19M7402

CAP SCREW

M10 X 25

1шт.

28

12M7066

LOCK WASHER

10 MM

4шт.

19M7402

CAP SCREW

M10 X 25

4шт.

29

12M7006

LOCK WASHER

6 MM

1шт.

19M7167

CAP SCREW

M10 X 25

1шт.

30

T110873

PLUG

2шт.

31

T110185

HYDRAULIC HOSE

1шт.

32

T110186

HYDRAULIC HOSE

1шт.

33

T110187

HYDRAULIC HOSE - FABRICATE

3шт.

34

T111102

HYDRAULIC HOSE - FABRICATE

2шт.

35

T111103

HYDRAULIC HOSE - FABRICATE

1шт.

36

TY22467

CLAMP

(SUB FOR T110428 OR AT145650)

6шт.

37

TY22472

CLAMP

(SUB FOR AT145651 OR AR21999)

4шт.

38

T111651

BUSHING

1шт.

39

T110612

TIE BAND

1шт.

40

CONNECTOR

(SUB AT111511)

1шт.

41

FITTING

(SUB AT111533)

1шт.

42

T118681

O-RING

(SUB FOR T110604)

1шт.

Выбрано товаров: 0