Запчасти John Deere 5 20 - ARM CYLINDER 2160 - MAIN HYDRAULIC SYSTEM 21

Схема запчастей John Deere 5 - 20 - ARM CYLINDER 2160 - MAIN HYDRAULIC SYSTEM 21
FIT
1:1
100%

Артикул

Название

Примечание

Количество

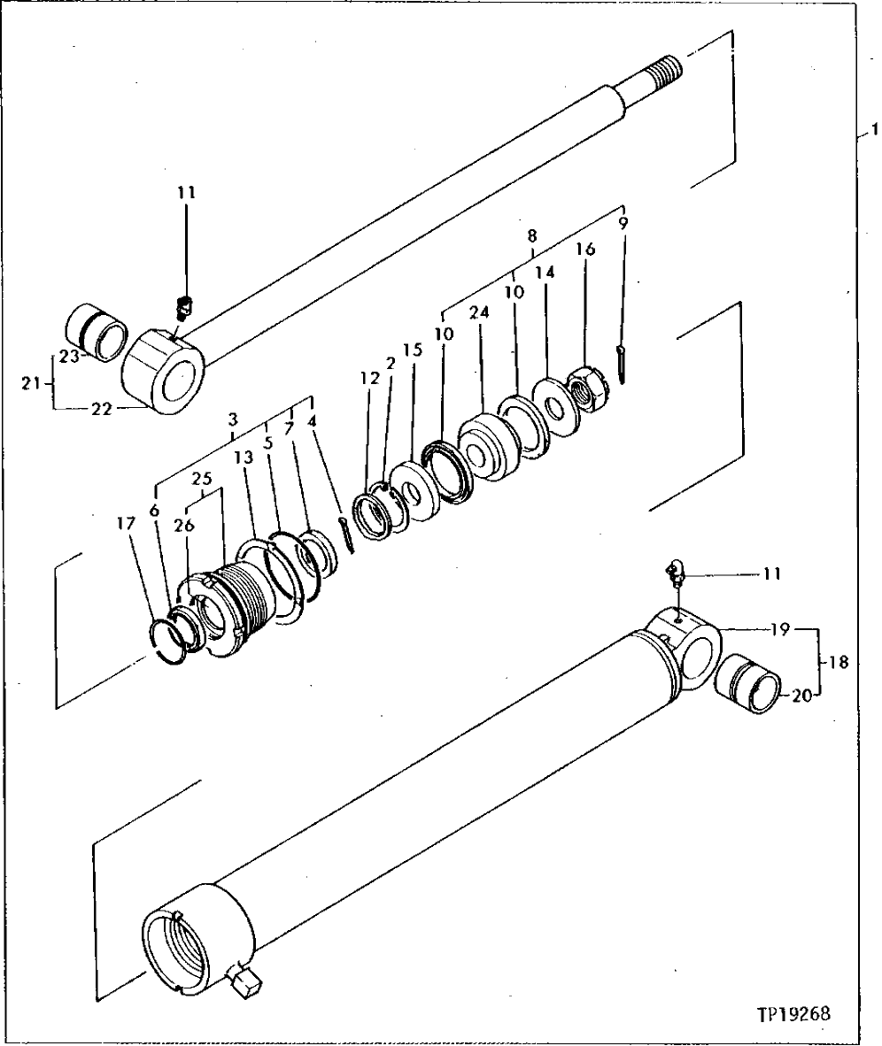
1

AT110595

HYDRAULIC CYLINDER

1шт.

2

CH13494

SNAP RING

1шт.

3

AT110954

SEAL KIT

1шт.

4

11M7032

COTTER PIN

5 X 50 MM, (SUB FOR T110420)

1шт.

5

CH17854

PACKING

1шт.

6

T110505

SEAL

1шт.

7

T110506

PACKING

1шт.

8

AT110955

SEAL KIT

1шт.

9

11M7032

COTTER PIN

5 X 50 MM, (SUB FOR T110420)

1шт.

10

T110509

PACKING

2шт.

11

CH18478

ASSEMBLY LINE PARTS

2шт.

12

T110495

GASKET

1шт.

13

T110496

WASHER

1шт.

14

T110503

RING

1шт.

15

T111326

RING

1шт.

16

T110504

NUT

1шт.

17

T110511

RING

1шт.

18

AT110956

HYDRAULIC CYLINDER BARREL

1шт.

19

BARREL

(SUB AT110956)

1шт.

20

T111344

BUSHING

1шт.

21

AT110957

ROD

1шт.

22

ROD

(SUB AT110957)

1шт.

23

T111344

BUSHING

1шт.

24

T110531

PISTON

1шт.

25

AT110232

HYDR. CYLINDER ROD GUIDE

1шт.

26

T110492

BUSHING

1шт.

Выбрано товаров: 0