Запчасти John Deere 5 22 - BUCKET CYLINDER 2160 - MAIN HYDRAULIC SYSTEM 21

Схема запчастей John Deere 5 - 22 - BUCKET CYLINDER 2160 - MAIN HYDRAULIC SYSTEM 21
FIT
1:1
100%

Артикул

Название

Примечание

Количество

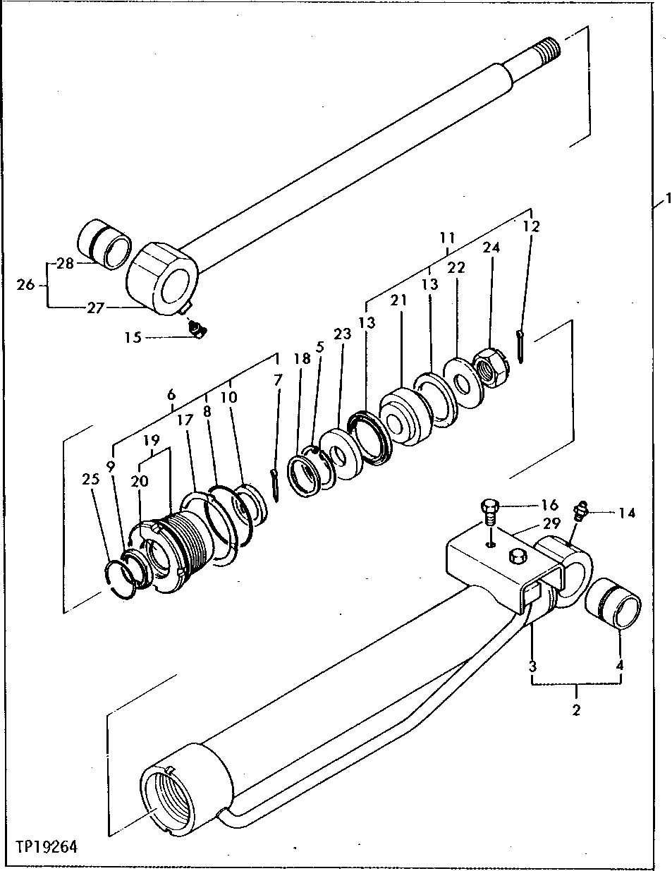
1

AT110433

HYDRAULIC CYLINDER

1шт.

2

AT110959

HYDRAULIC CYLINDER BARREL

1шт.

3

BARREL

(SUB AT110959)

1шт.

4

T111344

BUSHING

1шт.

5

CH13494

SNAP RING

1шт.

6

AT110960

SEAL KIT

1шт.

7

11M7032

COTTER PIN

5 X 50 MM, (SUB FOR T110420)

1шт.

8

CH17160

PACKING

1шт.

9

T110505

SEAL

1шт.

10

T110506

PACKING

1шт.

11

AT110961

SEAL KIT

1шт.

12

11M7032

COTTER PIN

5 X 50 MM, (SUB FOR T110420)

1шт.

13

T110507

PACKING

2шт.

14

TH100074

LUBRICATION FITTING

(SUB FOR T110449 OR CH11575)

1шт.

15

T116334

LUBRICATION FITTING

(SUB FOR T110450 OR TH100075)

1шт.

16

12M7066

LOCK WASHER

10 MM

2шт.

19M7166

CAP SCREW

M10 X 20

2шт.

17

T110493

WASHER

1шт.

18

T110495

GASKET

1шт.

19

AT110213

HYDR. CYLINDER ROD GUIDE

1шт.

20

T110492

BUSHING

1шт.

21

T111325

PISTON

1шт.

22

T110499

RING

1шт.

23

T110501

BACK-UP RING

1шт.

24

T110504

NUT

1шт.

25

T110511

RING

1шт.

26

AT110962

ROD

1шт.

27

ROD

(SUB AT110962)

1шт.

28

T111344

BUSHING

1шт.

29

T110577

BRACKET

1шт.

Выбрано товаров: 0