Запчасти John Deere 5 4 - FUEL INJECTION PUMP 413 - ENGINE 4

Схема запчастей John Deere 5 - 4 - FUEL INJECTION PUMP 413 - ENGINE 4
FIT
1:1
100%

Артикул

Название

Примечание

Количество

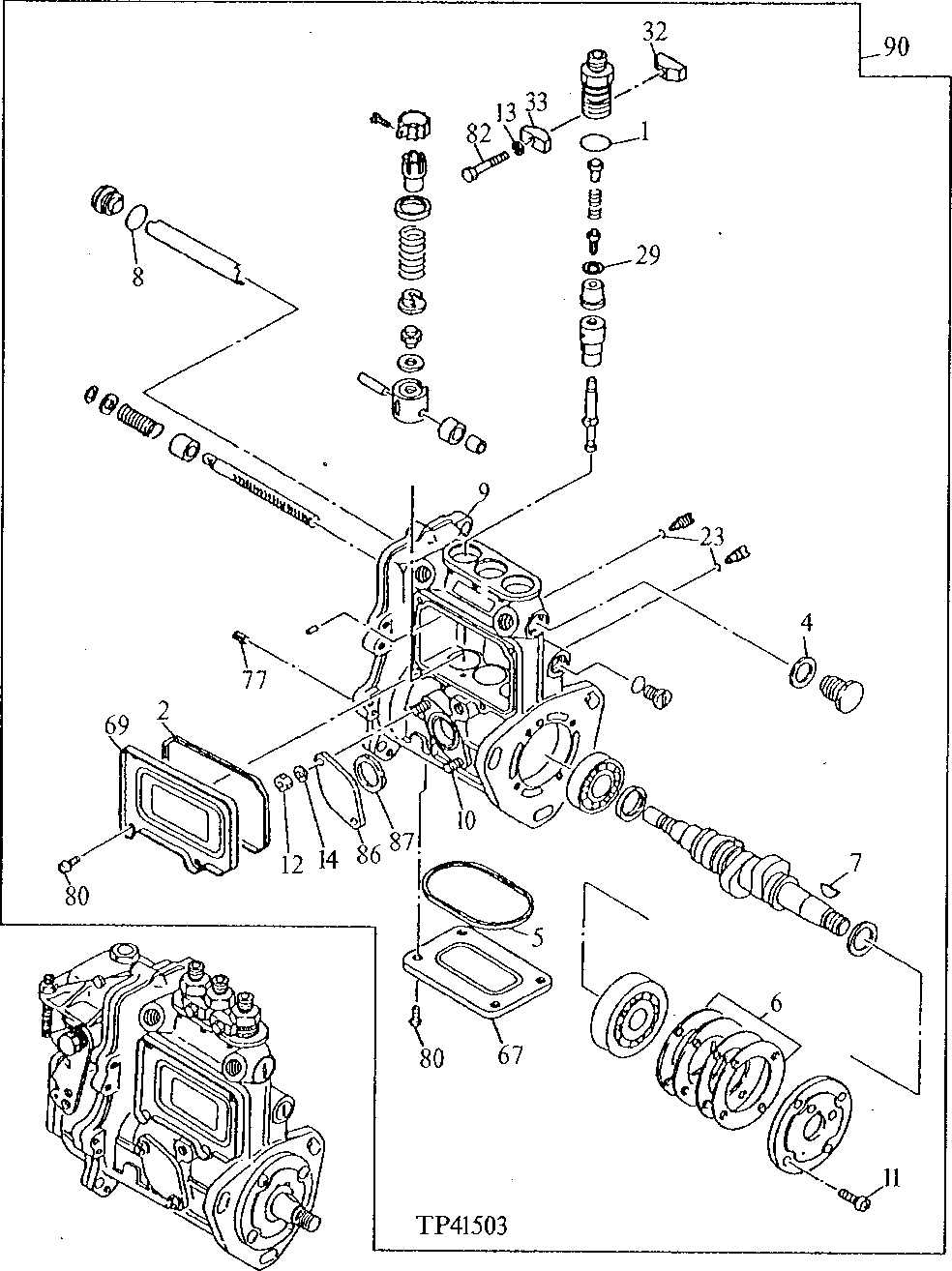
1

CH10476

PACKING

3шт.

2

M801773

GASKET

1шт.

4

M806433

WASHER

(SUB FOR CH16727)

1шт.

5

M801771

GASKET

1шт.

6

AM875405

PACKING

1шт.

7

M87843

SHAFT KEY

1шт.

8

CH14946

PACKING

1шт.

9

GOVERNOR

( AT110872 NO LONGER AVAILABLE)

1шт.

10

CH15396

STUD

2шт.

11

T111377

SCREW

4шт.

12

14M7272

NUT

M6

2шт.

13

12M7064

LOCK WASHER

5 MM (0.197")

2шт.

14

12M7006

LOCK WASHER

6 MM (0.236")

2шт.

23

M89151

O-RING

3шт.

29

CH10475

PACKING

3шт.

32

M801289

STOP

2шт.

33

M801290

STOP

2шт.

67

M801770

COVER

1шт.

69

M801772

COVER

1шт.

77

34M7117

SPRING PIN

5 X 10 MM (0.197" X 0.394") (SUB FOR CH11499)

2шт.

80

21M7278

SCREW

M5 X 10

8шт.

82

M800794

BOLT

2шт.

86

M801315

COVER

1шт.

87

M801314

GASKET

1шт.

90

AT110871

PUMP

(USE IF AVAILABLE)

1шт.

Выбрано товаров: 25