Запчасти John Deere 5 4 - DECALS AND LABELS FOR UNITS WITH CAB 1320 - MISCELLANEOUS VEHICLE 13

Схема запчастей John Deere 5 - 4 - DECALS AND LABELS FOR UNITS WITH CAB 1320 - MISCELLANEOUS VEHICLE 13
FIT
1:1
100%

Артикул

Название

Примечание

Количество

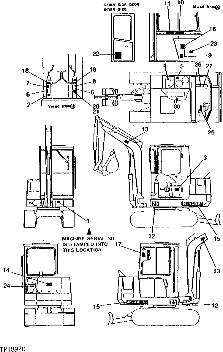
1

PLATE

1шт.

2

T105883

SAFETY SIGN

(WARNING)

1шт.

3

SAFETY SIGN

(CAUTION) ( T111715 NO LONGER AVAILABLE FOR SERVICE)

1шт.

4

T79632

LABEL

(DIESEL ONLY)

1шт.

5

T101942

LABEL

(HYDRAULIC OIL)

1шт.

6

4149203

LABEL

(SUB FOR TH101569) (CONTROL LEVER LOCK)

2шт.

7

4167679

LABEL

(SUB FOR TH101701) (LEFT CONTROL LEVER)

1шт.

8

T111929

LABEL

(RIGHT LEVER LOCK)

1шт.

9

LABEL

(OIL MEASURE) ( T111930 NO LONGER AVAILABLE FOR SERVICE)

1шт.

10

LABEL

(CAUTION) ( T111711 NO LONGER AVAILABLE FOR SERVICE)

1шт.

11

T111988

LABEL

1шт.

12

T111936

LABEL

(MODEL DESIGNATION)

2шт.

13

JD5622

LABEL

(LEAPING DEER)

2шт.

14

JD5623

LABEL

(LEAPING DEER)

1шт.

15

JD5647

LABEL

(JOHN DEERE)

2шт.

16

T111937

LABEL

(FUSE BOX)

1шт.

17

T113964

LABEL

(SUB FOR T111708) (TOPS)

1шт.

18

T111707

LABEL

1шт.

19

T111706

LABEL

1шт.

20

T111931

LABEL

(BOOM SWING)

1шт.

21

T111932

LABEL

(AUXILIARY VALVE)

1шт.

22

T111933

LABEL

(PERIODIC MAINTENANCE)

1шт.

23

T111721

LABEL

(SWING LOCK)

1шт.

24

T114197

SAFETY SIGN

(SUB FOR T111023 AND T114159) (BATTERY)

1шт.

25

T111137

LABEL

(AIR CLEANER)

1шт.

26

CH15946

LABEL

(RADIATOR CAP)

1шт.

27

T111705

LABEL

(ANTI-FREEZING)

1шт.

Выбрано товаров: 27