Запчасти John Deere 554 193 - RADIATOR, OIL COOLER, AIR COOLER AND FUEL COOLER 0510 ENGINE COOLING SYSTEMS

Схема запчастей John Deere 554 - 193 - RADIATOR, OIL COOLER, AIR COOLER AND FUEL COOLER 0510 ENGINE COOLING SYSTEMS
FIT
1:1
100%

Артикул

Название

Примечание

Количество

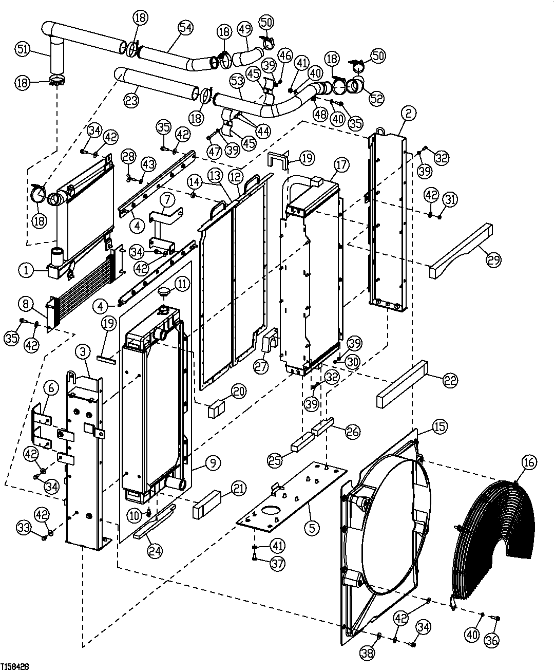
1

AT176949

Heat Exchanger

1шт.

2

AT183510

Support

1шт.

3

AT183511

Support

1шт.

4

AT183512

Bracket

1шт.

5

AT183514

Support

1шт.

6

AT183529

Bracket

1шт.

7

AT183531

Bracket

1шт.

8

AT189613

Fuel Cooler

1шт.

9

AT191168

Radiator

1шт.

10

AT13740

Drain Valve

1шт.

11

AT173610

Filler Cap

1шт.

12

AT191263

Screen

1шт.

13

AT191264

Screen

1шт.

14

28H1572

Washer

0.824" X 1.050" X 3/8"

1шт.

15

AT193968

Shroud

1шт.

16

AT193969

Guard

1шт.

17

AT197818

Oil Cooler

(SUB FOR AT191169)

1шт.

18

AT198270

Clamp

(SUB FOR AT39141)

6шт.

19

AT66778

Weatherstrip

1шт.

20

T160103

Isolator

1шт.

21

T160105

Isolator

1шт.

22

T160106

Isolator

1шт.

23

T160124

Hose

1шт.

24

T160598

Pad

1шт.

25

T160599

Pad

1шт.

26

T160600

Pad

1шт.

27

T164167

Isolator

1шт.

28

T186158

Wing Screw

1шт.

29

T187951

Isolator

1шт.

30

14M7273

Nut

M8

8шт.

31

14M7274

Nut

M10

1шт.

32

19M7407

Cap Screw

M8 X 25

17шт.

33

19M7784

Screw

M10 X 20

4шт.

34

19M7785

Screw

M10 X 25

16шт.

35

19M7786

Screw

M10 X 30

9шт.

36

19M7835

Screw

M10 X 35

4шт.

37

19M7872

Cap Screw

M12 X 25

7шт.

38

24H1330

Washer

15/32" X 1-3/8" X 7/64"

8шт.

39

24M7238

Washer

8.700 X 17 X 2 mm

17шт.

40

24M7239

Washer

10.700 X 21 X 2.500 mm

6шт.

41

24M7240

Washer

13 X 25 X 3 mm

7шт.

42

24M7296

Washer

10.500 X 30 X 2.500 mm

29шт.

43

24M7298

Washer

8.400 X 25 X 2 mm

1шт.

44

T161816

Spacer

2шт.

45

T162091

Strap

2шт.

46

14M7166

Lock Nut

M8

1шт.

47

19M7803

Screw

M8 X 70

1шт.

48

F1451R

Clamp

1шт.

49

T190408

Hose

1шт.

50

AT105289

Clamp

2шт.

51

T190409

Hydraulic Hose

1шт.

52

T160123

Hose

1шт.

53

T184989

Tube

1шт.

54

T184990

Tube

1шт.

Выбрано товаров: 54