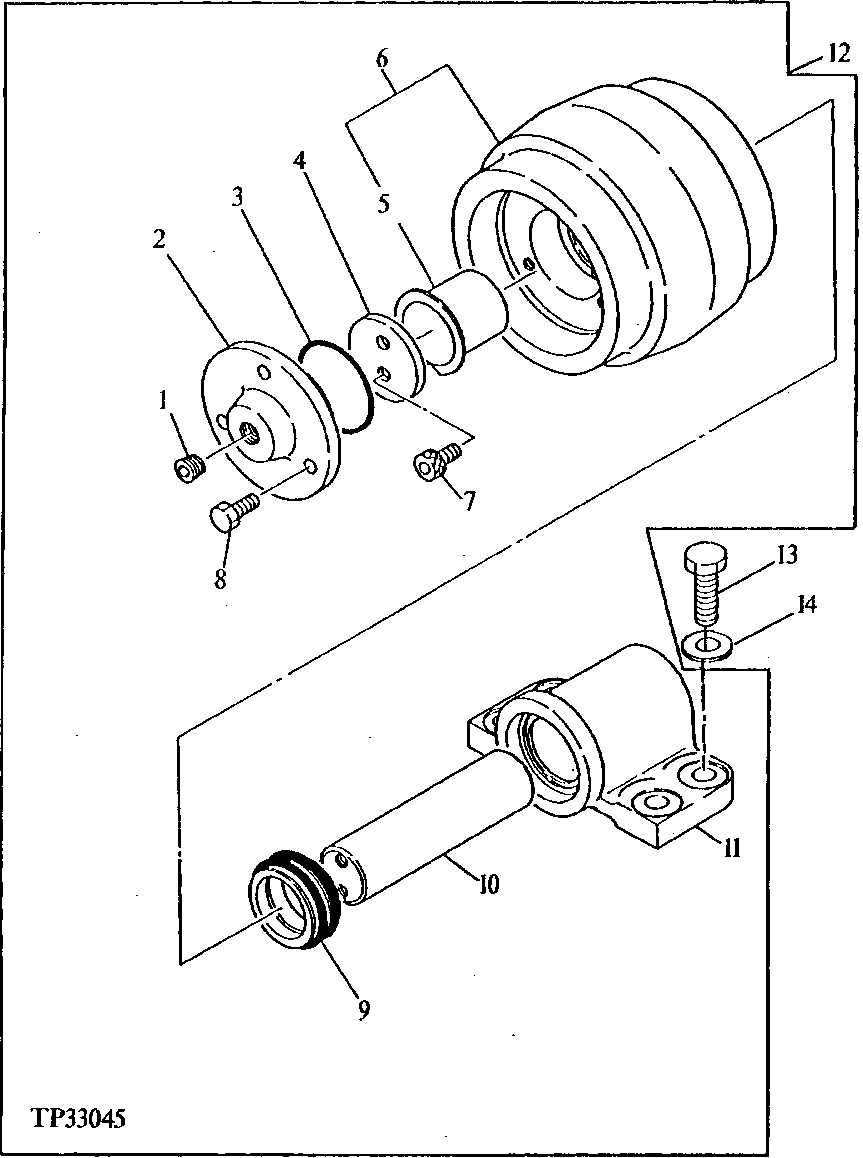
Запчасти John Deere 554 11 - TRACK CARRIER ROLLER COMPONENTS (STANDARD UNDERCARRIAGE) 0130 TRACK SYSTEMS

Схема запчастей John Deere 554 - 11 - TRACK CARRIER ROLLER COMPONENTS (STANDARD UNDERCARRIAGE) 0130 TRACK SYSTEMS
FIT
1:1
100%

Артикул

Название

Примечание

Количество

1

AT180007

Fitting Plug

1шт.

2

Cover

(NLA)

1шт.

3

O-Ring

(NLA)

1шт.

4

AT180005

Washer

1шт.

5

AT180004

Bushing

40 X 44 X 61.500 mm (1. 575" X 1.732" X 2.421")

1шт.

6

Roller

( AP34255 NLA)

1шт.

7

AT180006

Screw

M10 X 18

2шт.

8

Cap Screw

(NLA)

4шт.

9

AT180008

Seal

1шт.

10

Shaft

1шт.

11

Support

1шт.

12

AP34667

Roller

4шт.

13

19M7488

Cap Screw

M16 X 40

16шт.

14

Washer

(NLA)

16шт.

Выбрано товаров: 0