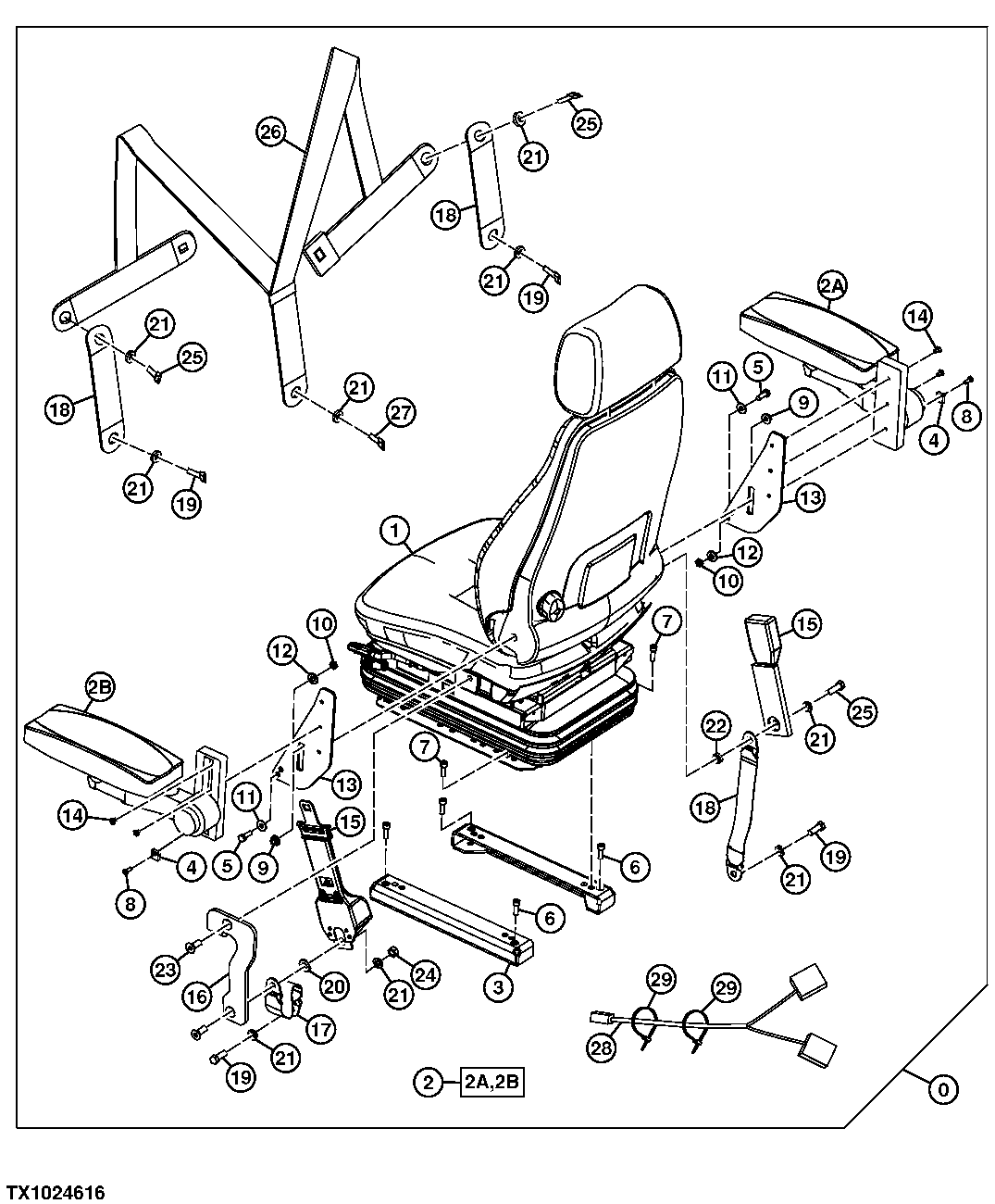
Запчасти John Deere 554 320 - AIR RIDE SEAT KIT 1821 SEAT AND SEAT BELTS

Схема запчастей John Deere 554 - 320 - AIR RIDE SEAT KIT 1821 SEAT AND SEAT BELTS
FIT
1:1
100%

Артикул

Название

Примечание

Количество

0

FF102146

Field Installation Kit

Air Ride Seat

1шт.

Seat

Heated FFSB115583 NLA, ORDER FF202618

1шт.

FF202618

Seat

Heated

1шт.

2

FFSB115651

Armrest

1шт.

2A

Armrest

RH FFSB115629 NSEP

1шт.

2B

Armrest

LH FFSB115630 NSEP

1шт.

3

FFSB115592

Bracket

2шт.

4

FFSB115628

Plate

2шт.

5

19M7407

Cap Screw

M8 X 25 SUB FOR J900825

2шт.

6

19M8439

Screw

M8 X 25 SUB FOR M340825

4шт.

7

19M7647

Screw

M8 X 16 SUB FOR M340816

4шт.

8

19M7768

Screw

M6 X 16 SUB FOR J780616

2шт.

9

14M7298

Flange Nut

M8 SUB FOR FFSB115633

2шт.

10

14M7273

Nut

M8 SUB FOR J950008

2шт.

11

24M7207

Washer

8.400 X 24 X 2 mm SUB FOR FFSB114987

2шт.

12

24M7346

Washer

11 X 20 X 2 mm SUB FOR DH400703

2шт.

13

FF101121

Bracket

2шт.

14

FF101235

Bolt

4шт.

15

4384239

Seat Belt

1шт.

16

FFSB115648

Bracket

1шт.

17

FFSB115635

Seat Belt

266 MM

1шт.

18

FFSB115634

Seat Belt

419 MM

3шт.

19

19H3187

Cap Screw

7/16" X 1-1/2" SUB FOR 4235232

4шт.

20

DH400704

Washer

1шт.

21

12H293

Lock Washer

7/16" SUB FOR J219167

9шт.

22

4372200

Spacer

1шт.

23

FFSB115652

Bolt

2шт.

24

FFSB115653

Nut

1шт.

25

FFSB115654

Bolt

3шт.

26

FFSB115657

Seat Belt

4-Pt Harness

1шт.

27

FFSB115658

Bolt

1шт.

28

FFSB115641

Wiring Harness

1шт.

29

H77698

Tie Band

SUB FOR 4055311

4шт.

Выбрано товаров: 0