Качественные детали и логистика
Оригинальные и аналоговые запчасти с доставкой по России, Казахстану и Беларуси
©2022 PartSell ООО "Система" ИНН 2463123282 ОГРН 1212400004838
Центральный офис: г. Красноярск, Академика Киренского, д.87, пом.4
Телефон: 8 (800) 777-65-74 Email: zakaz@partsell.ru
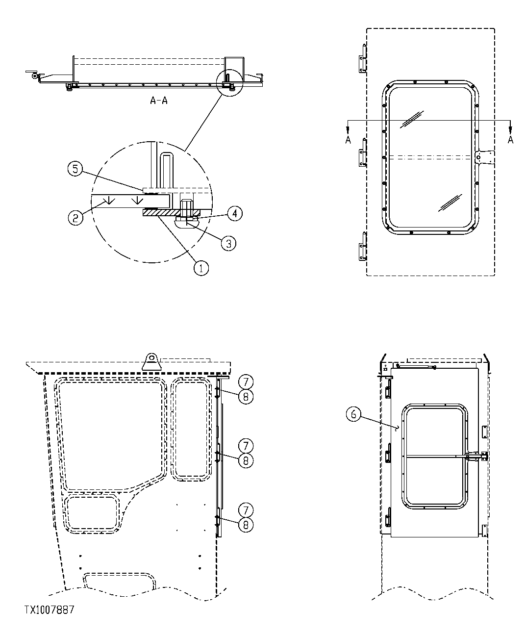
404 - REAR ENTRY CAB DOOR AND WINDOW
№
Артикул
Название
Примечание
Количество
1
FFSB105887
Frame
1шт.
2
FFSB108043
Windowpane
3
FFSB106723
Bolt
17шт.
4
12M7067
Lock Washer
12 mm (SUB FOR FFSB107082)
5
FFSB103444
Seal
(SUB FOR FFSB108044)(CTL 3404MM)
2шт.
6
FFSB105903
Door
7
19M7872
Cap Screw
M12 X 25 (SUB FOR FFSB109211)
6шт.
8
Выбрано товаров: 0