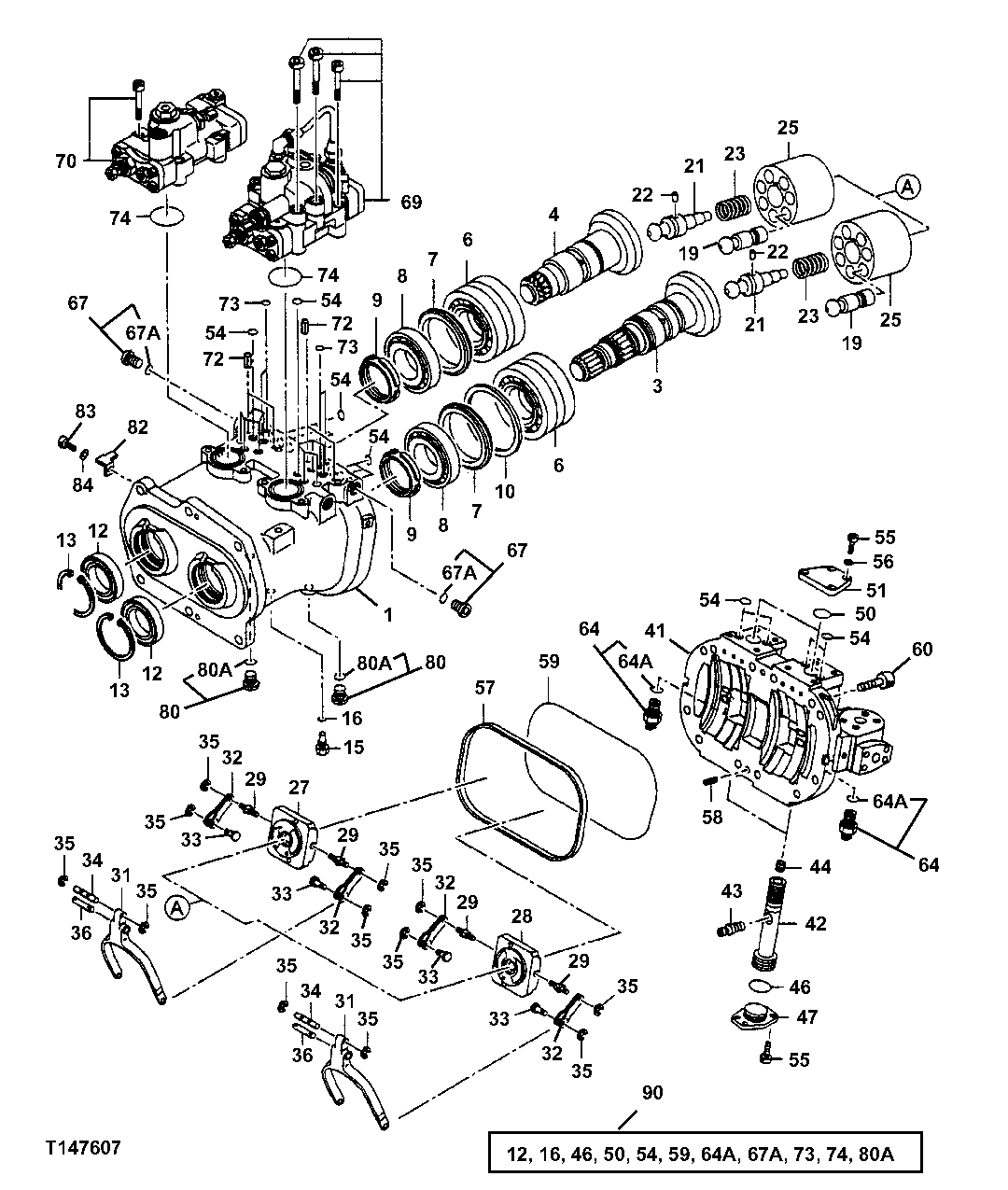
Запчасти John Deere 554 452 - Main Hydraulic Pump Housing, Disk, Rotors And Pressure Sensor 2160 VEHICLE HYDRAULICS

Схема запчастей John Deere 554 - 452 - Main Hydraulic Pump Housing, Disk, Rotors And Pressure Sensor 2160 VEHICLE HYDRAULICS
FIT
1:1
100%

Артикул

Название

Примечание

Количество

1

Gear Case

1026679 NLA, ORDER 1032319, 2043207, 2043 211, 4410050 (2), 4339171 (2), 4622945 (2)

1шт.

1032319

Housing

1шт.

3

2036807

Disk

1шт.

2043207

Drive Disk

1шт.

4

2036808

Disk

1шт.

2043211

Drive Disk

1шт.

6

4337419

Cylindrical Roller Bearing

2шт.

4410050

Spherical Roller Bearing

2шт.

7

4348182

Ring

2шт.

4339171

Ring

1шт.

8

4337483

Cylindrical Roller Bearing

2шт.

4622945

Spherical Roller Bearing

2шт.

9

4178173

Nut

2шт.

10

4338907

Ring

1шт.

12

T225266

Seal

SUB FOR 4333170 OR AT213847

2шт.

13

4116290

Snap Ring

2шт.

15

4233165

Fitting

1шт.

16

M800650

Packing

SUB FOR 957366

1шт.

19

8059452

Piston

14шт.

21

4337035

Shaft

2шт.

22

4198956

Pin Fastener

2шт.

23

4179181

Compression Spring

2шт.

25

2036744

Rotor

2шт.

27

2036795

Flow Control Hyd. Valve

1шт.

28

2036786

Flow Control Hyd. Valve

1шт.

29

4179179

Dowel Pin

4шт.

31

3075674

Link

2шт.

32

9724756

Lever

4шт.

33

4179177

Dowel Pin

4шт.

34

4179176

Dowel Pin

2шт.

35

CH17951

Ring

SUB FOR 4146370

12шт.

36

4200227

Dowel Pin

2шт.

41

1027131

Cylinder Head

1шт.

42

3069541

Piston

2шт.

43

4338053

Pin

2шт.

44

4337812

Set Screw

2шт.

46

4355085

O-Ring

2шт.

47

4338060

Stop

2шт.

50

4355083

O-Ring

SUB FOR 0444001

2шт.

51

4338061

Cover

2шт.

54

CH11560

Packing

SUB FOR 4180349

20шт.

55

19M8439

Screw

M8 X 25 SUB FOR M340825

16шт.

56

4514388

Spring Washer

8шт.

57

3070581

Packing

1шт.

58

34M7061

Spring Pin

8 X 20 mm SUB FOR 4099290

2шт.

59

4342840

O-Ring

1шт.

60

19M8341

Screw

M12 X 45 SUB FOR M341245

12шт.

64

4436271

Sensor

Pump Pressure SUB FOR 4355012

2шт.

64A

4365826

O-Ring

1шт.

67

9134110

Fitting

2шт.

67A

M800650

Packing

SUB FOR 957366

1шт.

69

9198935

Regulator

1шт.

70

9198936

Regulator

1шт.

72

34M3845

Spring Pin

4 X 10 mm SUB FOR 4515041

4шт.

73

4343074

O-Ring

4шт.

74

4348665

O-Ring

2шт.

80

9134111

Fitting

2шт.

80A

CH11570

O-Ring

SUB FOR 4509180

1шт.

82

4252767

Bracket

1шт.

83

0209423

Bolt

SUB FOR M340613

1шт.

84

12M7065

Lock Washer

8 mm SUB FOR A590908

1шт.

90

4451039

Seal Kit

1шт.

Выбрано товаров: 62