Запчасти John Deere 554 464 - HEAVY DUTY HIGH CAPACITY BUCKET (SEE FOOTNOTE) 3302 BUCKETS

Схема запчастей John Deere 554 - 464 - HEAVY DUTY HIGH CAPACITY BUCKET (SEE FOOTNOTE) 3302 BUCKETS
FIT
1:1
100%

Артикул

Название

Примечание

Количество

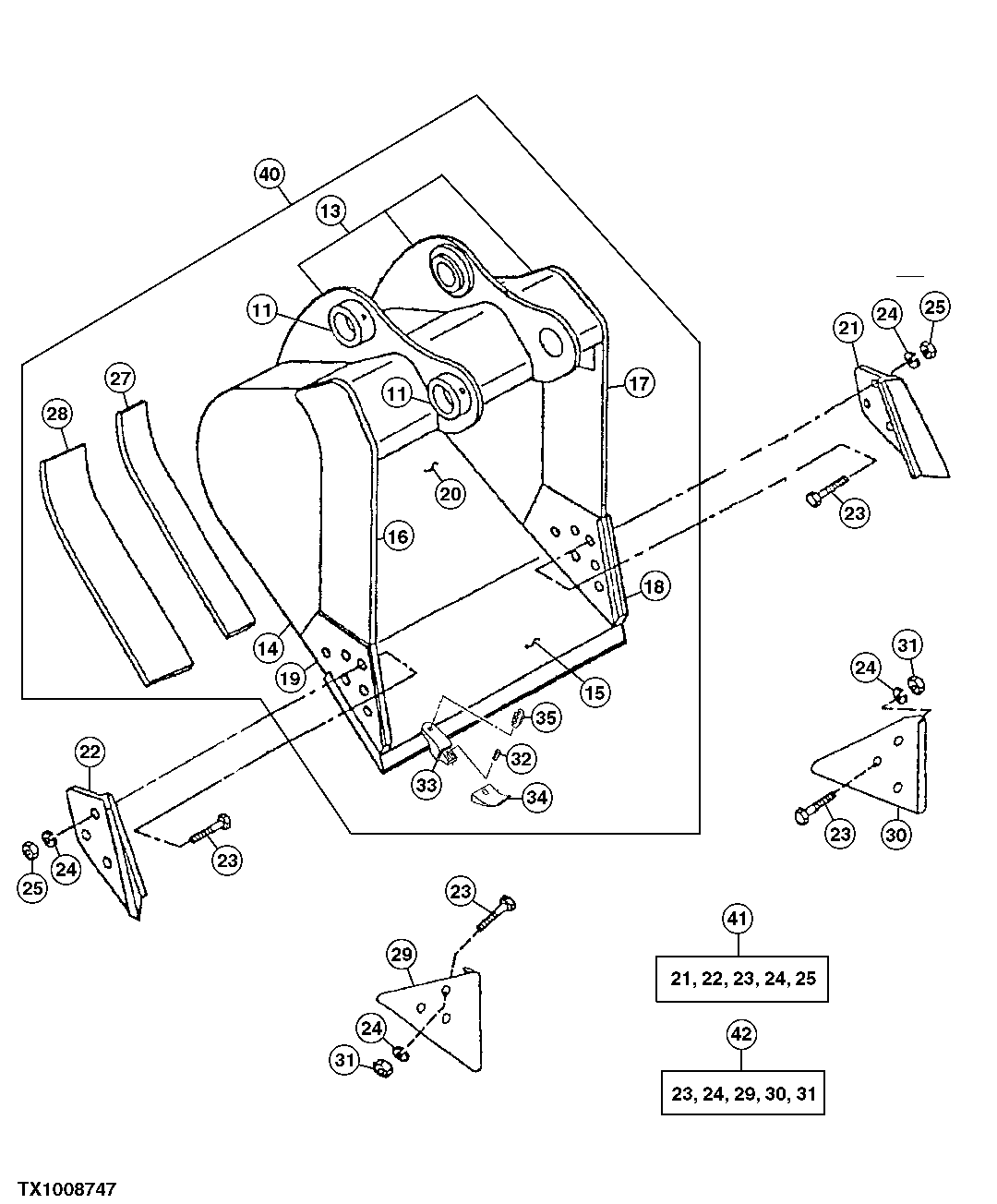
11

TH104509

Bushing

(LOCKING COLLAR)

2шт.

13

C607480

Pivot

(A) (BUCKET EAR BLANK ASSEMBLY)

1шт.

14

300167

Plate

(A) (RH / LH)

2шт.

15

Cutting Edge

(CUT TO LENGTH) ( AT131090 BULK MATERIAL)

1шт.

C252567

Cutting Edge

(A) Use With 36 in. Bucket (CTL)

1шт.

16

300159

Vertical Cutter

(A) (UPPER) (RH)

1шт.

17

300160

Vertical Cutter

(A) (UPPER) (LH)

1шт.

18

300158

Vertical Cutter

(A) (INSERT) (LH)

1шт.

19

300157

Vertical Cutter

(A) (INSERT) (RH)

1шт.

20

600118

Moldboard

(A) (24 INCH)

1шт.

600119

Moldboard

(A) (30 INCH)

1шт.

600120

Moldboard

(A) (36 INCH)

1шт.

600121

Moldboard

(A) (42 INCH)

1шт.

600122

Moldboard

(A) (48 INCH)

1шт.

21

Cutting Edge

(SUB AT131085)(LH)

1шт.

22

Cutting Edge

(SUB AT131085)(RH)

1шт.

23

09H1771

Bolt

7/8" X 3"

6шт.

24

12H245

Lock Washer

7/8"

6шт.

25

14H1077

Nut

7/8"

6шт.

27

300156

Bar

(A) (INNER WEAR)

1шт.

28

306452

Bar

(A) (OUTER WEAR)

2шт.

29

Shroud

Wear (SUB AT167876)

1шт.

30

Shroud

Wear (SUB AT167876)

1шт.

31

14H1044

Nut

7/8"

6шт.

32

TK290

Pin

ARшт.

33

T158X290

Bucket Tooth Adapter

ARшт.

34

TF290

Tooth

ARшт.

35

TK130

Shaft Key

ARшт.

40

Excavator Bucket

24 in., .73 yd³, ( AT332693 NLA) (SUB FOR AT163616 ) (SUB AT339138)

1шт.

Excavator Bucket

30 in., .95 yd³, 4 Teeth ( AT332695 N LA) (SUB FOR AT163617 ) (SUB AT339140)

1шт.

Excavator Bucket

36 in., .1.16 yd³, 5 Teeth ( AT332696 NLA) (SUB FOR AT163618 ) (SUB AT339142)

1шт.

Excavator Bucket

42 in., .1.38 yd³, 5 Teeth ( AT332697 NLA) (SUB FOR AT163620 ) (SUB AT339144)

1шт.

Excavator Bucket

48 in., .1.6 yd³, 6 Teeth ( AT332698 N LA) (SUB FOR AT199358 ) (SUB AT339146)

1шт.

41

Kit

Side Cutter ( AT131085 NLA)

1шт.

42

Kit

Edge Protector ( AT167876 NLA)

1шт.

Выбрано товаров: 35