Запчасти John Deere 554 514 - HEELER GRAPPLE CONTROL PLUMBING 3360 HYDRAULIC SYSTEM

Схема запчастей John Deere 554 - 514 - HEELER GRAPPLE CONTROL PLUMBING 3360 HYDRAULIC SYSTEM
FIT
1:1
100%

Артикул

Название

Примечание

Количество

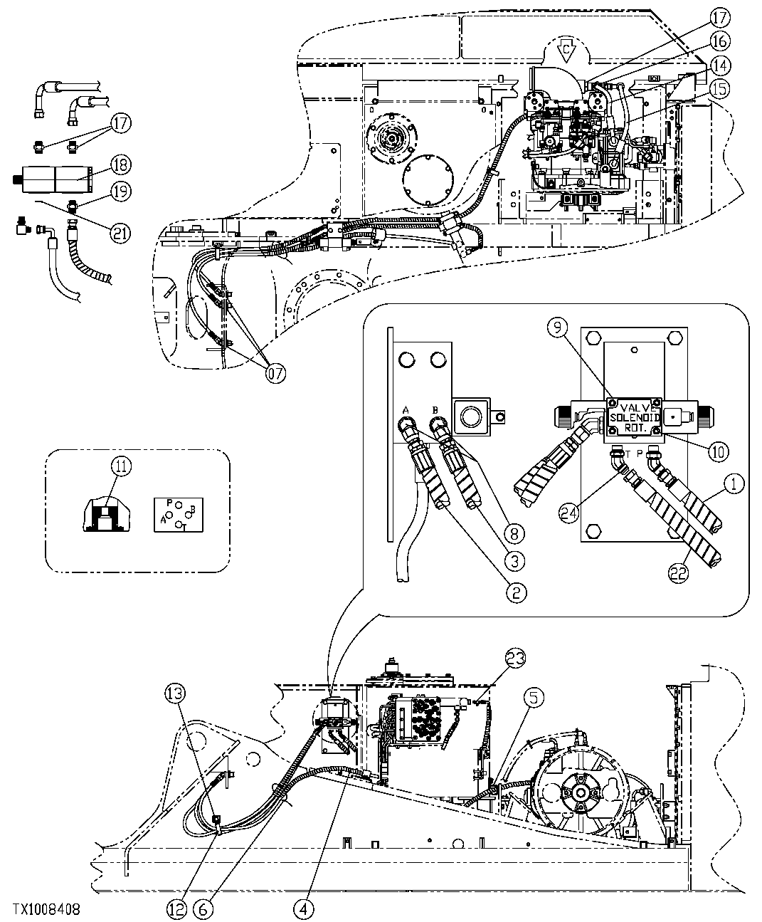
1

FFSB110033

Hydraulic Hose

1шт.

XHG-075

Hose Guard

(SUB FOR FFSB108096)

1шт.

2

FFSB110031

Hydraulic Hose

1шт.

XHG-075

Hose Guard

(SUB FOR FFSB108096)

1шт.

3

FFSB110032

Hydraulic Hose

1шт.

XHG-075

Hose Guard

1шт.

4

FFSB110039

Hydraulic Hose

1шт.

XHG-075

Hose Guard

(SUB FOR FFSB108096)

1шт.

5

F026126

Hose Support

(SUB FOR FFSB105404)

1шт.

6

R44302

Tie Band

(SUB FOR FFSB108110)

1шт.

7

38H1321

Elbow Fitting

(SUB FOR FFSB104346)

3шт.

T78716

Nut

3шт.

T77857

O-Ring

6шт.

8

X8V5OLO-S

Elbow Fitting

(SUB FOR FFSB103644)

3шт.

9

FFSB102384

Solenoid Hydraulic Valve

1шт.

10

19H3070

Screw

0.190" X 1-1/4" ( FFSB102861 NLA)

4шт.

11

FFSB104023

Orifice

2шт.

12

FFSB110137

Clamp

1шт.

13

19M7407

Cap Screw

M8 X 25 (SUB FOR FFSB107195)

1шт.

14

FFSB107458

Hydraulic Hose

1шт.

15

FFSB107457

Hydraulic Hose

1шт.

16

38H1033

Tee Fitting

(SUB FOR FFSB109457)

1шт.

17

A853166

Adapter Fitting

(SUB FOR FFSB109423 OR AT107392 OR 4189619)

3шт.

18

9218033

Pump

(SUB FOR FFSB109717, AT183093, 4278696)

1шт.

19

Adapter Fitting

( FFSB102389 NLA) ( FFSB102389 NLA)

1шт.

21

4506418

O-Ring

1шт.

22

FFSB110034

Hydraulic Hose

1шт.

XHG-075

Hose Guard

1шт.

23

X8R4OMXS

Tee Fitting

1шт.

24

X8V5OX-S

Elbow Fitting

1шт.

Выбрано товаров: 0