Запчасти John Deere 554 517 - PROPEL PILOT CONTROLLER TO SIGNAL MANIFOLD HOSES (7 INCH RISER) 3360 HYDRAULIC SYSTEM

Схема запчастей John Deere 554 - 517 - PROPEL PILOT CONTROLLER TO SIGNAL MANIFOLD HOSES (7 INCH RISER) 3360 HYDRAULIC SYSTEM
FIT
1:1
100%

Артикул

Название

Примечание

Количество

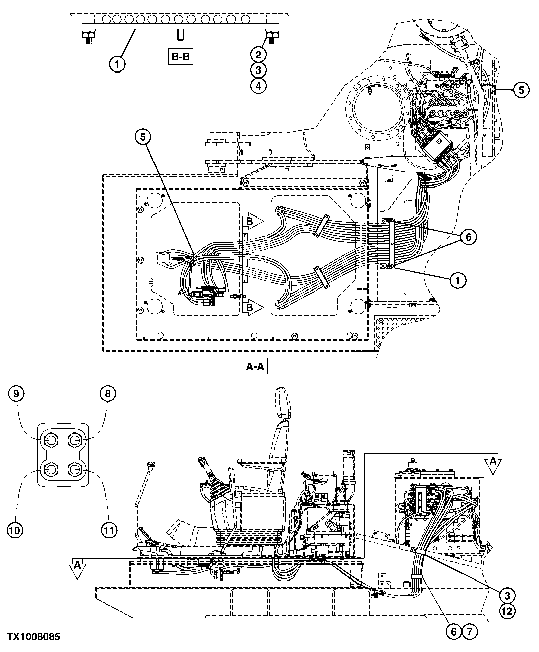
1

FFSB110347

Clamp

2шт.

2

24M7096

Washer

10.500 X 18 X 1.600 mm (SUB FOR FFSB107709)

2шт.

3

12M7066

Lock Washer

10 mm (SUB FOR FFSB107409)

3шт.

4

14M7274

Nut

M10 (SUB FOR FFSB107411)

2шт.

5

R44302

Tie Band

(SUB FOR FFSB108110)

2шт.

6

19M7662

Cap Screw

M10 X 30 (SUB FOR FFSB106133)

3шт.

12M7066

Lock Washer

10 mm

3шт.

24M7028

Washer

10.500 X 20 X 2 mm

3шт.

7

FFSB105405

Clamp

2шт.

8

4671428

Hydraulic Hose

(SUB FOR FFSB112134, 443 1844, 4419172 OR 4462306)

1шт.

9

4671428

Hydraulic Hose

(SUB FOR FFSB112132, 4431842, 4465402, 4419172 OR 4462306)

1шт.

10

4607990

Hose

(SUB FOR FFSB112131, 4431841)

1шт.

11

4431843

Hydraulic Hose

(SUB FOR FFSB112133)

1шт.

12

19M7402

Cap Screw

M10 X 25 (SUB FOR FFSB107461)

1шт.

24M7296

Washer

10.500 X 30 X 2.500 mm (SUB FOR FFSB107461)

1шт.

Выбрано товаров: 15