Запчасти John Deere 554 584 - PILOT LINES (PROCESSOR CONFIGURATION) (SN 200336- ) 3363 Lines, Hoses & Fittings

Схема запчастей John Deere 554 - 584 - PILOT LINES (PROCESSOR CONFIGURATION) (SN 200336- ) 3363 Lines, Hoses & Fittings
FIT
1:1
100%

Артикул

Название

Примечание

Количество

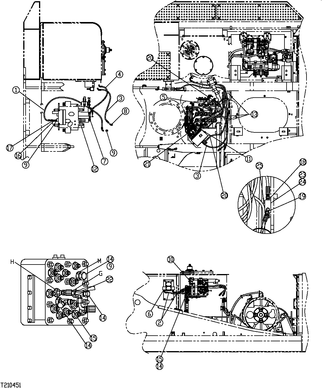
1

FFSB110029

Hydraulic Hose

1шт.

2

FFSB113732

Hydraulic Hose

2шт.

3

FFSB110037

Hydraulic Hose

2шт.

4

FFSB113730

Hydraulic Hose

1шт.

5

X4-4F4OMXS

Adapter Fitting

(SUB FOR FFSB103515)

1шт.

6

FFSB114119

Adapter Fitting

2шт.

7

4208913

Adapter Fitting

(SUB FOR FFSB107487)

1шт.

8

4190244

Elbow Fitting

(SUB FOR FFSB108477)

1шт.

9

X6-6F4OMXS

Adapter Fitting

(SUB FOR FFSB105049)

3шт.

10

A852422

Tee Fitting

(SUB FOR FFSB113001)

1шт.

11

4451789

Pipe Plug

(SUB FOR FFSB110896)

1шт.

12

4228353

Pressure Relief Valve

(SUB FOR FFSB106048)

1шт.

13

R44302

Tie Band

(SUB FOR FFSB108110)

4шт.

14

Adapter Fitting

( FFSB108704 NLA)

4шт.

15

A852433

Tee Fitting

(SUB FOR FFSB114438)

2шт.

16

FFSB114442

Check Valve

1шт.

17

X6F5OX-S

Adapter Fitting

(SUB FOR FFSB110348)

1шт.

18

X4F5OX-S

Adapter Fitting

(SUB FOR FFSB114341)

1шт.

19

X4C5OX-S

Elbow Fitting

(SUB FOR FFSB114342)

1шт.

20

FFSB114343

Hydraulic Hose

2шт.

21

4200467

Adapter Fitting

(SUB FOR FFSB109412)

1шт.

22

AT36921

Tee Fitting

(SUB FOR FFSB104940)

1шт.

23

FFSB114490

Valve

1шт.

24

FFSB114491

Valve

1шт.

4436535

Sensor

(NOT ILLUSTRATED)

1шт.

25

19M7979

Screw

M8 X 55 (SUB FOR FFSB110153)

1шт.

Выбрано товаров: 26