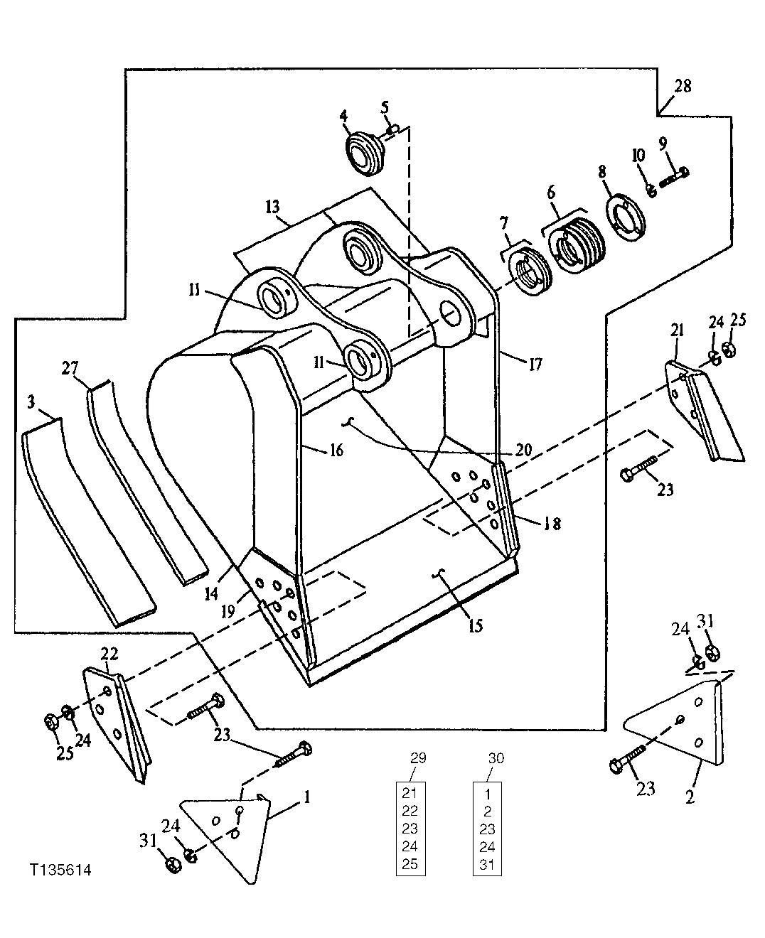
Запчасти John Deere 70CLC 245 - HEAVY DUTY HIGH CAPACITY BUCKET (SEE FOOTNOTE) 3302 BUCKET WITH TEETH

Схема запчастей John Deere 70CLC - 245 - HEAVY DUTY HIGH CAPACITY BUCKET (SEE FOOTNOTE) 3302 BUCKET WITH TEETH
FIT
1:1
100%

Артикул

Название

Примечание

Количество

1

Shroud

(RH)

1шт.

2

Shroud

(LH)

1шт.

3

304559

Bar

(F) Wear Outer

2шт.

4

AT131084

Bushing

1шт.

5

R48685

Dowel Pin

1шт.

6

TH102460

Washer

1 MM

6шт.

7

TH102461

Shim

2шт.

8

Plate

( TH102463 NLA)

1шт.

9

19H2706

Cap Screw

5/8" X 2"

3шт.

10

12H294

Lock Washer

5/8"

3шт.

11

TH102409

Bushing

2шт.

13

C603692

Pivot

(F) Bucket Ear Blank Assembly

1шт.

14

306995

Plate

(F) (RH/LH)

2шт.

15

AT131097

Dura-Max Cutting Edge

(CUT TO LENGTH) (72")

1шт.

T154189

Dura-Max Cutting Edge

(CUT TO LENGTH) (42")

1шт.

T154188

Dura-Max Cutting Edge

(CUT TO LENGTH) (36")

1шт.

16

300283

Vertical Cutter

(F) (UPPER RH)

1шт.

17

300284

Vertical Cutter

(F) (UPPER LH)

1шт.

18

304568

Vertical Cutter

(F) (LH)

1шт.

19

304567

Vertical Cutter

(F) (RH)

1шт.

20

600171

Moldboard

(F) (UPPER) (20 INCH)

1шт.

600172

Moldboard

(F) (UPPER) (36 INCH)

1шт.

600173

Moldboard

(F) (UPPER) (42 INCH)

1шт.

600166

Moldboard

(F) (LOWER) (30 INCH)

1шт.

600167

Moldboard

(F) (LOWER) (36 INCH)

1шт.

600168

Moldboard

(F) (LOWER) (42 INCH)

1шт.

21

Cutting Edge

(LH)

1шт.

22

Cutting Edge

(RH)

1шт.

23

09H1771

Bolt

7/8" X 3"

6шт.

24

12H245

Lock Washer

7/8"

6шт.

25

14H1077

Nut

7/8"

6шт.

27

300291

Bar

(F) Wear Inner

2шт.

28

Excavator Bucket

(A) (24 INCH/0.92 CUBIC YARD) (W HOLE GOODS) (SUB AT332709 ) (SUB F OR AT163638, AT160743 OR AT160744)

1шт.

Excavator Bucket

(A) (30 INCH/1.20 CUBIC YARD) (W HOLE GOODS) (SUB AT332710 ) (SUB F OR AT163639, AT131041 OR AT131161)

1шт.

Excavator Bucket

(A) (36 INCH/1.48 CUBIC YARD) (W HOLE GOODS) (SUB AT332711 ) (SUB F OR AT163640, AT131042 OR AT131162)

1шт.

Excavator Bucket

(A) (42 INCH/1.75 CUBIC YARD) (W HOLE GOODS) (SUB AT332712 ) (SUB F OR AT163641, AT131043 OR AT131163)

1шт.

29

Kit

( AT131085 NLA) Side Cutter Kit

1шт.

30

Kit

( AT167876 NLA) Edge Protector

1шт.

31

14H1044

Nut

7/8"

6шт.

Выбрано товаров: 39